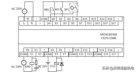
控制系统的设计中,虽然接线工作量的比重减小,但它是编程设计工作的基础。只有在正确无误地完成接线的前提下,才能确保编程设计工作的顺利进行。FX2N系列接线端子排列如图1所示。

三菱PLC-FX2N系列产品的外部结构讲解
图1PLC-FX2N系列的接线端子排列示例(FX2N-32MR)
(1)输入口器件的介入
PLC的输入口连接输入信号器件主要有开关、按钮及各种传感器这些都是触点类型的器件。在接入PLC时,每个触点的两个接头分别连接一个输入点及输入公共端。
(2)输出口器件的接入
PLC的输出口上连接的器件主要是继电器、接触器、电磁阀的线圈。这些器件均采用PLC机外的专用电源供电内部不过是提供一组开关接点。接入时线圈的一端接输出点螺钉,一端经电源接输出公共端。
PLC输出口的电流定额一般为2A,大电流的执行器件须配装中间继电器。
(3)外部接线示例
FX2N-32MR型为例,在PLC的输入端接入一个按钮、一个限位开关,还有一个接近开关;输出为一个220V的交流接触器和一个电磁阀。

三菱PLC-FX2N系列产品的外部结构讲解
图2PLC-FX2N系列外部接线示例





