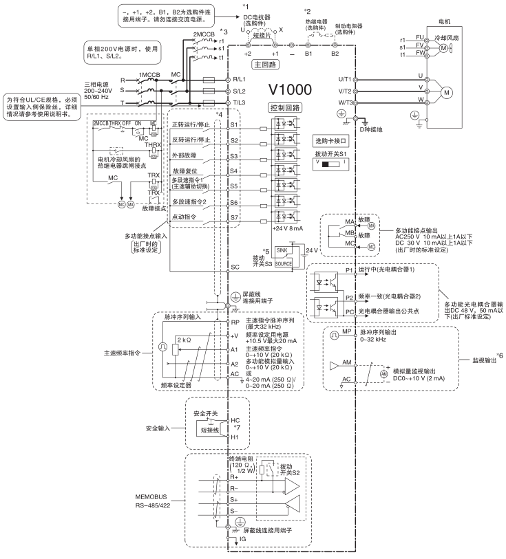
安川变频器V1000功率电压范围:
200V级(三相电源用)0.1-18.5kw
200V级(单相电源用)0.1-3.7kw
400V级(三相电源用)0.2-18.5kw
安川变频器V1000型号说明:
V1000令世人感动的变频器。
1台多用。越用越能切实感受到V1000变频器的优越性.
安川变频器因其高性能、高功能、高品质,而颇受好评。
而今,更追求最佳适用性,更注重使用便利的新系列V1000变频器诞生了.

操作性优异的触屏式面板,通过用途设定,可快速定制。







版权声明:文章来源网络聚合,如有问题请联系删除。





