导读:对于学习三菱PLC编程的初学者,熟悉和掌握PLC输入接线是必须的。PLC输入接线,根据输入端可以接的元件大致可以分为两线制和三线制。通过下文学习三菱FXPLC的输入接线。
一、一个基本回路需要哪三个要素?首先了解完一个基本回路需要的三个要素,然后通过回路分析法更容易理解输入接线。一个基本回路的三要素:电源、开关、负载。如图(1)。

图(1)
二、输入端可以接什么元件?讲解输入端的接线方法前,先看一下输入端可以接哪些元件。输入端从元件的线制分为两线制和三线制。按钮开关、旋转开关、行程开关、磁簧开关、磁感应开关这些属于两线制开关。U型开关、光纤放大器、光电开关等属于三线制开关。如图(2)。

图(2)
三、输入接线1.两线制
以三菱FX3UPLC为例。为了方便理解,我们可以把PLC的输入端X点内部想像成连接着一个灯泡。灯泡另外一端全部并在公共端S/S。
普通的两线制开关按钮有一组常开触点,一端接到PLC的输入端及X点,另一端接电源负极。通过回路分析法来分析,一个基本回路具备三个要素。这样形成一个回路,按下开关按钮。电源的正极流向S/S公共端,流向PLC内部灯泡一端。经过X点流向开关按钮触点的一端,再经过另一端流线电源负极。
还有一种比较特殊的两线制磁簧开关,它分棕色线和蓝色线。PLC的公共端S/S接电源的正极,那么磁簧开关的棕色线接到X点,蓝色线接电源负极。这种公共端接电源正极称为漏型接法,公共端接电源负极称为源型接法。假设公共端接电源负极,那么磁簧开关的蓝色线就要接到X点上,棕色线接在电源正极。如图(3)。

图(3)
再以三菱FX1N、2N的PLC为例如图(4)。同样,我们把FX1N、2N的PLC输入端内部想像成连接着一个灯泡。FX1N和2N的PLC和FX3UPLC不一样,FX1N和2N的PLC公共端是COM。而且COM端内部串了一个24V电源的负极。那么内部灯泡的另外一端全部并在电源的正极。

图(4)
2.三线制
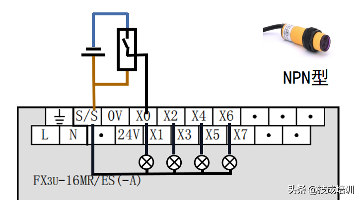
以NPN型的光电开关为例如图(5)。NPN型光电开关有三根线,分别为棕色先、蓝色线、黑色线。参考光电开关说明书,光电开关要工作就需要给它接上电源。棕色线接电源正极、蓝色线接电源负极。黑色线是输出信号线接到PLC输入端X点。为了方便理解,我们可以把光电开关内部想像成一个简单的常开触点开关。通过回路分析法来分析。电源正极接到S/S端,流向PLC内部灯泡,灯泡的另外一端流向X点。光电开关的黑色线接到X点,再经过光电开关的蓝色线流回电源负极。

图(5)
再以PNP型的光电开关为例如图(6)。同样,PNP型光电开关要工作。先给光电开关供电,棕色线接电源正极,蓝色线接电源负极。光电开关感应到物体,黑色信号线输出信号,把黑色线接到输入端X点上。通过回路分析法来分析,光电开关要形成回路,PLC公共端S/S接电源的负极。当光电开关感应到物体,常开触点闭合。电源正极从光电开关棕色线流向黑色线,到X点连接的灯泡。再从灯泡的另一端流向公共端S/S,经过S/S流回电源负极。

图(6)
以上是三菱FXPLC输入接线的全部讲解。先了解输入端能接什么元件,再通过回路分析法分析两线制和三线制元件的接法。两线制的要注意磁簧开关这类开关,分棕色线和蓝色线。三线制分NPN和PNP型的光电开关,要注意PLC公共端是接电源正极还是电源负极。通过阅读本文,你掌握三菱FXPLC的输入接线了吗?





