今天这篇文章,我们来介绍S120的功率模块(PowerModule)。功率模块具有整流和逆变功能,它是将电源模块和电机模块集成在一起,一端连接电网(进线),另一端连接电机(出线)。S120早期的功率模块产品为PM340,目前已经停产。新的功率功率模块沿用PM240的命名编号,称为PM240-2。当然,S120还有一种机柜型功率模块,这个我们以后再讲,本文主要介绍PM240-2功率模块。

PM240-2具有整流和逆变功能,但是没有回馈功能。也就是说,不能把电机产生的再生能量回馈电网,因此必须配合制动电阻使用。
PM240-2根据其功率大小的不同,分成FSA~FSG7个型号。
FS是"Framesize"的缩写,即"结构尺寸";A~G表示具体的尺寸大小。
FSA~FSF有单相200~240V、三相380~480V和三相500~690V三种进线电压规格,其功率范围为0.55~132KW,包括集成电源滤波器和不带电源滤波器两种类型;
FSG具有三相380~480V和三相500~690V两种进线电压,其功率范围为160~250KW,具有可选电源滤波器。其中:380~480V类型可选C2或C3滤波器;500~690V类型可选C3滤波器;
PM240-2不同结构尺寸的产品其功率和进行电压的关系如下面的表格所示:

PM240-2FSD(D型尺寸结构)的外观如下图所示:

PM240-2前面各部分接口如下图所示:

功率模块接口,即控制单元接口,可以连接CU310-2或者CU320-2控制单元,如下图所示:

具有两路安全扭矩关断(STO)端子,可以通过外部控制关闭变频器的输出扭矩;关于安全扭矩关断,可以看下我的另一篇文章:SINAMICSV90伺服驱动系统(2)-STO功能|北岛夜话
模块的上部有制动电阻的接线端子,其定义如下图所示:

模块的下面有电源接线端子和电机接线端子,如下图所示:

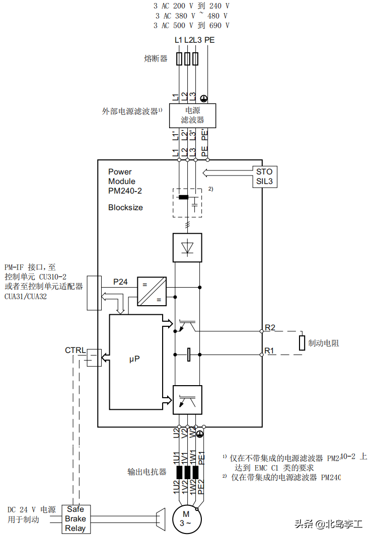
PM240-2配合控制单元的接线原理图如下图所示:

好了,关于S120的功率模块——PM240-2就先介绍到这里。
欢迎订阅我的专栏《S7-200SMART运动控制之步进电机》:





