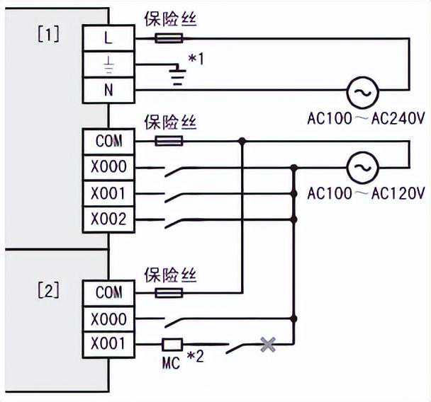
外部配线示例[AC电源型]
向基本单元、输入输出扩展单元所供给的电源为AC100~240V。

AC电源型
外部配线示例[DC电源型]
向基本单元、输入输出扩展单元所供给的电源为DC24V。

DC电源型
输入信号DC24V输入的连接示例[AC电源型]

DC24V输入的连接示例[DC电源型]

AC100V输入的连接示例

继电器输出的连接示例

晶体管输出的连接示例

晶闸管输出的连接示例


PLC的供电接线:AC220V或者DC24V
PLC的输入接线:主要有源型输入接线和漏型输入接线(三菱常用的漏型接线)
PLC的输出接线:也分为源型和漏型,同时根据输出类型的不同接线略有不同
扩展NPN和PNP区别:
(1)NPN:有信号的时候,输出低电平。
(2)PNP刚好相反。
NPN/PNP传感器接线(一般情况下):棕正,蓝负,黑信号
版权声明:文章来源网络聚合,如有问题请联系删除。





