PLC基础及应用
项目一三菱FX2N系列硬件系统„„„„„„„„„„„„„1项目二GXDeveloper软件„„„„„„„„„„„„„„„10项目三三人抢答器„„„„„„„„„„„„„„„„„„„„21项目四人行道按钮控制交通灯„„„„„„„„„„„„„„„28项目五双液混合„„„„„„„„„„„„„„„„„„„39项目六运料小车„„„„„„„„„„„„„„„„„„„55项目七数码管显示„„„„„„„„„„„„„„„„„„66项目八天塔之光„„„„„„„„„„„„„„„„„„„82项目九轧钢机„„„„„„„„„„„„„„„„„„„„88项目十输煤机皮带传送„„„„„„„„„„„„„„„„„95
通过一个人打开门让车通过的实例来介绍PLC
(1)人工手动如图:


(2)尝试使用PLC打开和关闭在上一个画面中手动操作的装载门。PLC根据它的传感
器打开或关闭指令传送给门。
(3)用PLC来控制门的开,关,当入口传感器检测到车辆经过,将传感器检测到的信
号传送到PLC的输入端,由输出端输出控制信号,将门打开。同理,由出口传感
器检测到车辆经过时,门关闭。PLC代替了传统的手动控制,实现了自动控制。

1
1.1PLC定义:
国际电工委员会对PLC做了如下定义:可编程序控制器,英文称ProgrammableLogicalController,简称PLC。它是一个以微处理器为核心的数字运算操作的电
子系统装置,专为在工业现场应用而设计,它采用可编程序的存储器,用以在其内
部存储执行逻辑运算、顺序控制、定时/计数和算术运算等操作指令,并通过数字式
或模拟式的输入、输出接口,控制各种类型的机械或生产过程。
PLC的特点:PLC是微机技术与传统的继电接触控制技术相结合的产物,它克
服了继电接触控制系统中的机械触点的复杂接线、可靠性低、功耗高、通用性和灵
活性差的缺点,充分利用了微处理器的优点,又照顾到现场电气操作维修人员的技
能与习惯,特别是PLC的程序编制,不需要专门的计算机编程语言知识,而是采用
了一套以继电器梯形图为基础的简单指令形式,使用户程序编制形象、直观、方便
易学;调试与查错也都很方便。用户在购到所需的PLC后,只需按说明书的提示,
做少量的接线和简易的用户程序的编制工作,就可灵活方便地将PLC应用于生产实践。
1.2PLC的应用领域
FX系列PLC不仅仅在工厂自动化领域(FA),而且其他工业领域也被广泛使用。

2
机器的所有部件可以被划分为两部分:输入和输出。输入:例如开关和按钮,感应器
输出:例如指示灯和报警器,马达螺线管阀门
如下图:

1.3PLC的组成:
可编程控制器主要是由CPU模块、输入模块、输出模块和编程器组成,如下图:

CPU模块相当于人的大脑和心脏,它不断地采集输入信号,执行用户程序,刷新系
统的输出;存储器用来储存程序和数据。
3
1.CPU芯片
CPU模块主要由CPU芯片和存储器组成。PLC使用以下几类CPU芯片:
(1)通用微处理器,如Intel公司的8086,80186到Pentium系列芯片;
(2)单片微处理器(单片机),如Intel公司的MCS51/96系列单片机;
(3)位片式微处理器,如AMD2900系列位片式微处理器。
2.存储器
PLC的存储器分为系统程序存储器和用户程序存储器。系统程序相当于个人计
算机的操作系统,它使PLC具有基本的智能,能够完成PLC设计者规定的各种工作。
系统程序由PLC生产厂家设计并固化在ROM内,用户不能直接读取。PLC的用户程序由用户设计,它决定了PLC的输入信号与输出信号之间的具体关系。用户程序存
储器的容量一般以字(每个字由16位二进制数组成)为单位,三菱的FX系列PLC将用户程序存储器的单位称为步(Step,即字)。小型PLC的用户程序存储器容量在lK字左右,大型PLC的用户程序存储器容量可达数M(兆)字。
PLC常用以下几种存储器:
(1)随机存取存储器:(RAM)
用户可以用编程器读出RAM中的内容,也可以将用户程序写入RAM,因此RAM又叫读/写存储器。它是易失性的存储器,将它的电源断开后,储存的信息将会丢
失。RAM的工作速度高,价格低,改写方便。为了在关断PLC外部电源后,保存RAM中的用户程序和某些数据(如计数器的计数值),为RAM配备了一个锂电池。现在有
的PLC仍用RAM来储存用户程序。锂电池可用2~5年,需要更换锂电池时,PLC面板上的“电池电压过低”发光二极管亮,同时有一个内部标志位变为l状态,可以用它的常开触点来接通控制屏面板上的指示灯或声光报警器,通知用户及时更换锂
电池。
(2)只读存储器(ROM)
ROM的内容只能读出,不能写入。它是非易失的,它的电源消失后,仍能保存
储存的内容。ROM—般用来存放PLC的系统程序。
2(3)可电擦除的EPROM(EEPROM或EPROM)
4
它是非易失性的,但是可以用编程器对它编程,兼有ROM的非易失性和RAM的随机存取优点。但是写入信息所需的时间比RAM长得多,EEPROM用来存放用户程序。
有的PLC将EEPROM作为基本配置,有的PLC将EEPROM作为可选件。1.4输人模块
下图是FX系列的直流输入电路和内部电路的示意图。PLC外部的虚线框内是lN
NPN管集电极开路输出的电子传感器(如接近开关)的示意图。图2-4是扩展模块FX―48ER―UAl/UL的交流输入电路的示意图。2N


当左图中的外接触点接通或图中的NPN型晶体管饱和导通时,电流经24V电源的正极(24V端子)、S/S端子、内部电路、X0等输入端子和外部的触点或晶体管,
从0V端子流回24V电源的负极,使光耦合器中两个反芳联的发光二极管中的一个亮,
光敏三极管饱和导通,CPU在输入阶段读入的是数字1;外接触点断开或.NPN晶体管处于截止状态时,光耦合器中的发光二极管熄灭,光敏三极管截止,CPU在输入阶段读入的是数字0。当右图中的外接触点接通,或图中的PNP型晶体管饱和导通
时,电流经24V电源的正极(24V端子)、外部的触点或晶体管、X0等输入端子、内部电路和S/S端子,从0V端子流回24V电源的负极,使光耦合器中的发光二极管亮,
光敏三极管饱和导通。输入电路中设有RC滤波电路,以防止由于输入触点抖动或外
部干扰脉冲引起错误的输入信号。滤波电路延迟时间的典型值为10~20ms(信号上升沿)和20~50ms(信号下降沿),输入电流约5~10mA.
5
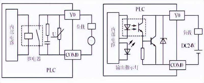
输出模块的功率放大元件有驱动直流负载的大功率晶体管和场效应管、驱动交
流负载的双向晶闸管,以及既可以驱动交流负载又可以驱动直流负载的小型继电器。
输出电流的典型值为0.3~2A,负载电源由外部现场提供。
下图左图是继电器输出电路。内部电路使继电器的线圈通电,它的常开触点闭
合,使外部负载得电工作。继电器同时起隔离和功率放大作用,每一路只给用户提
供一对常开触点,与触点并联的RC电路和压敏电阻用来消除触点断开时产生的屯
弧,以减轻它对CPU的干扰。
右图是晶体管集电极输出电路。。输出信号送给内部电路中的输出锁存器,再经
光耦合器送给输出晶体管,后者的饱和导通状态和截止状态相当于触点的接通和断
开。图中的稳压管用来抑制关断过电压和外部的浪涌电压,以保护晶体管,晶体管
输出电路的延迟时间1ms。场效应管输出电路的结构与晶体管输出电路基本上相同。

除了上述几种输出电路外,还有双向晶闸管输出电路,它用光电晶闸管实现隔
离。双向晶闸管由关断变为导通的延迟时间小于1ms,由导通变为关断的延迟时间
小于10ms。晶闸管在负载电流过小时不能导通,遇到这种情况时可以在负载两端并
联电阻。除了输入模块和输出模块,还有一种既有输入电路又有输出电路的模块,
输入、输出的点数一般相同,这种模块使用户确定PLC的硬件配置更为方便。输出
电流的额定值与负载的性质有关,例如FX的继电器输出模块可以驱动2A/220VAC的电阻性负载,但是只能驱动80VA/220VAC的电感性负载和100W的白炽灯。额定输出电流还与温度有关,温度升高时额定输出电流减小,有的PLC提供了有关的曲
6
线。由于散热的原因,有的输出模块需要考虑属于同一公共点(COM)的几个输出点的总电流,例如FX的晶体管输出模块的额定输出电流是0.5A/点,0.8A/COM。
继电器输出模块的使用电压范围广,导通压降小,承受瞬时过电压和过电流的
能力较强,但是动作速度较慢,寿命(动作次数)有一定的限制。如果负载的通断变
化不是很频繁,建议优先选用继电器型的。晶体管型与双向晶闸管型模块分别用于
直流负载和交流负载,它们的可靠性高,反应速度快,寿命长,但是过载能力稍差
1.6
计算机的串行接口与PLC的连接,通过RS-232C与PLC的编程设备、数据存储
单元接线插座连接。
FX2N-48MR型PLC的面板如图:24个输入端口,24个输出端口,5个COM端口。
COM1对应Y0---Y3
COM2对应Y4---Y7
COM3对应Y10---Y13
COM4对应Y14---Y17
COM5对应Y20---Y27
+24V电源

7
内置运行/停止开关(也具有外部运行/停止功能)

1)计算机从可编程控制器读取数据。
2)计算机向可编程控制器发送数据
下述图样为可编程控制器的读、写及状态控制的数据流图。

3)可编程控制器向计算机发送数据站号

8
站号即可编程控制器提供的数字,用来确定计算机在访问哪一个可编程控制器。
在FX系列可编程控制器中,站号是通过特殊数据寄存器D8121来设定的。设定范围
是从00H到0FH。最多可以实现16台通信。
框图如下:

9
项目二GXDeveloper软件
三菱公司开发的GXDeveloper编程软件,对编辑和控制自己的应用程序提供
了良好的编程环境。为了能快捷高效地开发你的应用程序,GXDeveloper软件提供
了三种程序编辑器,GXDeveloper软件还提供了在线帮助系统,以便获取所需要的
信息。
2.1GXDeveloper的安装
1、未安装过本软件的系统中安装时请先安装。
双击按照页面提示单击:下一步--安装即可。2、按照页面提示完成安装,重新启动计算机即可使用。
GXDeveloper的基本使用方法与一般基于Windows操作系统的软件类似,在这里只介绍一些用户常用的几点对PLC操作的用法.
软件的使用:

双击桌面的快捷键或者从开始里面进入
,首先创建新工程如图所示:

10
,选择PLC类型,出现如图所示:


,保存工程,填写工程名,如123

11
进入编程界面如图所示,即可编程

注意:在使用定时器、计数器时T0K10之间要用空格隔开编程过程中要将梯形图转换,或按快捷键F4键,如图:

转换完毕,打开PLC的电源,将程序写入PLC过程中出现如图所示的情况。

12
单击在线,改变传输设置中的参数如图所示:

双击串行,改变COM端口和波特率的参数

13
改变完参数再进行写入

选择程序、参数后单击执行

14

PLC开始写入:

15
写入完毕后,可直接观察PLC的运行结果,或者在监视里看PLC的运行结果

监视如图:

16
前面学习了硬件软件的基本知识,下面通过一个实例来加深对PLC硬软件的认识。
自主项目三相异步电动机正反转硬件控制
了解用PLC控制代替传统接线控制的方法,编制程序控制电机的联锁正反转。电机的联锁正反转原理电路图:
PLC外部接线图如下:


17
启动:按启动按钮SB1,X0的动合触点闭合,Y3线圈得电,M0的动合触点也闭合,延时0.1S后Y0的线圈得电,电机作星形连接启动,此时电机正转;按启动按钮
SB2,X1的动合触点闭合,Y3线圈得电,M1的动合触点也闭合,延时0.1s后Y0的线圈得电,电机作星形连接启动,此时电机反转。
在电机正转时反转按钮SB2是不起作用的,只有当按下停止按钮SB3时电机才停止工作;在电机反转时正转按钮SB1是不起作用的,只有当按下停止按钮SB3时电机才停止工作。

1、输入输出接线
输SSS输KKK
入B1B2B3出M1M2M4
XXXYYY
012013主机模块的COM接主机模块输入端的COM和输出段的COM1、COM2、COM3、COM4、COM5。主机模块的24+、COM分别接在实验单元的V+,COM。
2、打开主机电源将程序下载到主机中。
18
3、启动并运行程序观察实验现象。
三相异步电动机正反转软件控制
1)了解GXDeveloper软件
2)安装并使用GXDeveloper软件
3)应用GXDeveloper软件编写三相异步电动机正反转控制程序启动:按启动按钮SB1,X0的动合触点闭合,Y3线圈得电,即接触器KM4的线圈得
电,0.1S后Y0线圈得电,即接触器KM1的线圈得电,电动机作星形连接启动。每按
动SB1一次,电机运转一次。


19
1.能够熟练地掌握PLC硬件安装,并写出硬件系统的安装顺序;2.写出每一部件的安装规范。
3.能够熟练地掌握软件的使用,学会运用软件去编写简单的PLC程序,并写入软件当中去。
20
项目三三人抢答器
1.
辅助继电器是用软件实现的,它们不能接收外部的输入信号,也不能直接驱动
外部负载,是一种内部的状态标志,相当于继电器控制系统中的中向继电器。(1).通用辅助继电器
FX系列PLC的通用辅助继电器没有断电保功能。在FX系列PIC中,除了输入继电器和输出继电器的元件号采用八进制外,其他编程元件的元件号均采用十进
制。如果在PLC运行时电源突然中断,输出继电器和通用辅助继电器将全部变为
OFF。若电源再次接通,除了因外部输入信号而变为ON的以外,其余的仍将保持
为OFF状态。
FX1SFX1NFX2N/FX2NCPLC
通用辅助继电器384(M0~383)384(M0~383)500(M0~499)
1152电池后备/锁存128(M384~511)2752(M500~3071)
(M384~1535)辅助继电器
51215363072总计
2
特殊辅助继电器共256点,它们用来表示PLC的某些状态,提供时钟脉冲和标
志(如进位、借位标志),设定PLC的运行方式,或者用于步进顺控、禁止中断、设
定计数器是加计数还是减计数等。特殊辅助继电器分为两类:
(1)触点利用型

由PLC的系统程序来驱动触点利用型特殊辅
助继电器的线圈,在用户程序中直接使用其触点,
但是不能出现它们的线圈,下面是几个例子:
M8000(运行监视):当PLC执行用户程序时,M8000
为ON;停止执行时,M8000为OFFM8002(初始
化脉冲):M8002仅在M8000由OFF变为ON状
21
态的一个扫描周期内为ON(见图3-8),可以用M8002的常开触点来使有断电保持功
能的元件初始化复位或给它们置初始值。
M801l~M8014分别是10ms,100ms,ls和1min时钟脉冲。
M8005(锂电池电压降低):电池电压下降至规定值时变为ON,可以用它的触点驱动输出继电器和外部指示灯,提醒工作人员更换锂电池。
(2)线圈驱动型
由用户程序驱动其线圈,使PLC执行特定的操作,用户并不使用它们的触点。
例如:
M8030的线圈“通电”后,“电池电压降低”发光二极管熄灭;
M8033的线圈“通电”时,PLC进入STOP状态后,所有输出继电器的状态保
持不变;
M8034的线圈“通电”时,禁止所有的输出;
M8039的线圈“通电”时,PLC以D8039中指定的扫描时间工作。
3./
某些控制系统要求记忆电源中断瞬时的状态,重新通电后再现其状态,电池后
备/锁存辅助继电器可以用于这种场合。在电源中断时用锂电池保持RAM中的映像寄存器的内容,或将它们保存在EEPROM中。它们只是在PLC重新通电后的第一个扫描周期傈持断电瞬时的状态。为了利用它们的断电记忆功能,可以采用有记忆
功能的电路。设图37中X0和X1分别是起动按钮和停止按钮,M500通过Y0控
制外部的电动机,如果电源中断时M500为1状态,因为电路的记忆作用,重新通
电后M500将保持为l状态,使Y0继续为ON,电动机重新开始运行。

22
常开触点:通电闭合,无自锁。

常闭触点:通电断开,无自锁。

串联逻辑与

并联逻辑或

23
自锁:

互锁:

要让一个人抢答成功后,另外两个人抢答无效。需要用优先设计。
例:三人抢答优先电路

24
1.熟悉PLC装置,FX系列可编程控制器的外部接线方法
2.用PLC构成三人抢答器控制系统
1)抢答器同时供三名选手或三个代表队比赛,分别用三个按钮x0~x2表示。2)设置一个系统清除和抢答控制开关S,该开关由主持人控制。
3)抢答器具有定时抢答功能,且一次抢答的时间由主持人设定(如10秒)。当主持人启动"开始"键后,定时器开始定时10秒,10秒内抢答。
4)参赛选手在设定的时间内进行抢答,抢答有效。
5)抢答按钮X0、X1、X2;主持人控制启动按钮X10和复位按钮X11;当选手犯规时
指示灯Y3、Y4、Y5亮;若抢答成功指示灯Y0、Y1、Y2亮;Y6为抢答定时灯。
25

26
编写设计说明书,内容包括:
(1)设计过程和有关说明。
(2)基于PLC的抢答器电气控制系统电路图。
(3)电器元器件的选择和有关计算。
27
项目四:人行道按钮控制交通灯4.1基础知识
交通信号灯在设定时间段内的亮与灭,需要用定时器来实现。PLC内有几百个定时器,其功能相当于继电控制系统中的时间继电器。定时器是根据时钟脉冲的累
积计时的。时钟脉冲有1ms、10ms、100ms三种,当所计时间到达设定值时,其输出
触点动作。
PLC中的定时器相当于继电器系统中的时间继电器。它有一个设定值寄存器(一
个字长)、一个当前值寄存器(一个字长)和一个用来储存其输出触点状态的映像寄存
器(占二进制的一位),这三个存储单元使用同一个元件号。FX系列PLC的定时器分为通用定时器和积算定时器。
常数K可以作为定时器的设定值,也可以用数据寄存器(D)的内容来设置定时器。例如外部数字开关输入的数据可以存入数据寄存器,作为定时器的设定值。通
常使用有电池后
备的数据寄存器,这样在断电时不会丢失数据。

各系列的定时器个数和元件编号如表所
示。100ms定时器的定时范围为0.1~3276.7s,
10ms定时器的定时范围为0.01~327.67s。FX1S
的特殊辅助继电器M8028为1状态时,T32~
T62(31点)被定义为10ms定时器。图中X0的常
开触点接通时,T200的当前值计数器从0开始,
对10ms时钟脉冲进行累加计数。当前值等于设
定值414时,定时器的常开触点接通,常闭触
点断开,即T200的输出触点在其线圈被驱动
10ms×414=4.14s后动作。X0的常开触点断开后,定时器被复位,它的常
开触点断开,常闭触点接通,当前值恢复为0。
28

如果需要在定时器的线圈“通电”时就动作的瞬动触点,可以在定时器线圈两
端并联一个辅助继电器的线圈,并使用它的触点。
通用定时器没有保持功能,在输入电路断开或停电时被复位。FX系列的定时器只能提供其线圈“通电”后延迟动作的触点,如果需要在输入信号变为OFF之后的延迟动作,可以使用图31l所示的电路。

100ms积算定时器T250~T255的定时范围为0.1~3276.7s。X1的常开触点接通时(见图312),T250的当前值计数器对100ms时钟脉冲进行累加计数。X1的常开触点断开或停电时停止定时,当前值保持不变。X1的常开触点再次接通或重新上
电时继续定时,累计时间(t+t)为1055×100ms=105.5s时,T250的触点动作。因12
为积算定时器的线圈断电时不会复位,需要用X2的常开触点使T250强制复位。

29
如果在子程序或中断程序中使用T192~T199和T246~T249,在执行END指令时修改定时器的当前值。当定时器的当前值等于设定值时,其输出触点在执行定时
器线圈指令或END指令时动作。如果不是使用上述的定时器,在特殊情况下,定时
器的工作可能不正常。如果1ms定时器用于中断程序和子程序,在它的当前值达到
设定值后,其触点在执行该定时器的第一条线圈指令时动作。
定时器的精度与程序的安排有关,如果定时器的触点在线圈之前,精度将会降
低。平均误差约为1.5倍扫描周期。最小定时误差为输入滤波器时间减去定时器的
分辨率,1ms,10ms和100ms定时器的分辨率分别为1ms,10ms和100ms。如果定时器的触点在线圈之后,最大定时误差为2倍扫描周期加上输入滤波器时间。如果
定时器的触点在线圈之前,最大定时误差为3倍扫描周期加上输入滤波器时间。FX系列PLC的定时器分为非积算定时器和积算定时器:
?非积算定时器
FX1N和FX2N型PLC内有100ms非积算定时器200点(T0~T199),时间设定值为0.1~3276.7s。10ms非积算定时器46点(T200~T245),时间设定值为0.01~327.67s。
注意:非积算定时器没有失电记忆功能。
?积算定时器
FX1N和FX2N型PLC内有1ms积算定时器4点(T246~T249),时间设定值为
0.001~32.767s;100ms积算定时器6点(T250~T255),时间设定值为0.1~3276.7s。
4.2定时时间设定值K的计算方法:
用定时器T200来定时,时钟脉冲位10ms。
30
如图:

定时时间为
4.3计数器
PLC所用的计数器分为内部计数器和高速计数器,计数器对PLC的内部映像寄存器(X、Y、M、S)提供的信号计数,计数脉冲达到设定值时,它的常开触电
闭合,或者常闭触电断开。
表3-6计数器
FX2N与FX2NC系列
PLC
个数编号设定值范围16位通用计数器100C0~C991~32767
16位电池后备/锁存计数器100C100~C1991~32767
-
32位通用双向计数器20C200~C219
2147483648~+2位电池后备/锁存双向计-
15C220~C234
数器2147483648~+2147483647
使用举例:
16位加计数器的设定值为1~32767。图中X10的常开触电接通以后,C0被复位,它对应的位存储单元被置00,它的常开触点断开,常闭触点接通,同时其计数当前
值被置为0。X11用来提供计数输入信号,当计数器的复位输入电路断开,计数输入
电路由断开变为接通(即计数脉冲的上升沿)时,计数器当前值加1。在5个计数
31
脉冲之后,C0的当前值等于设定值5,其常开触电闭合,常闭触点断开。


1.按下启动按钮PB1,交通灯按下述要求运行;按上停止按钮PB2,交通灯则停止
运行。
2.当有人过马路时,按下按钮X0(X1),15秒后公路交通灯黄灯(Y1)亮,Y1亮10秒后灭,5秒后人行道绿灯(Y4)亮,人通过马路。10秒后Y4闪烁4.5秒后,人行道红灯(Y3)亮。以次过程循环。
3.输入输出分配
公路交通灯红黄绿人行道
按钮Y0Y1Y2
人行道交通红绿X0X1灯Y3Y4
32
示意图:

4.4分析时序图
根据各输出在不同时间段内的亮灭情况,可以做出如下的时序图:

33
输出的亮灭情况是一定的,可以把输出分为不同时间段,采用不同定时器来控
制,画出它们的时序图,可以看到:定时器与输出之间存在着一定的逻辑关系。如图中绿色线所示:

可以得出:输出Y2的时序图可以用已知T0的时序图取反得到。同理,Y0、Y1、Y3、Y4的时序图都可以用已知定时器的时序图得到。
34
参考梯形图


35
1.学习定时器,计数器的有关知识。2.掌握定时器,计数器的编程方法。1.根据时序图编写人行道按钮交通灯的程序。
2.调试程序至无误。
1.启动编程软件创建项目。
2.进行硬件组态。
3.输入输出点分配。
4.调试。
1.写出创建项目的过程。
2.写出人行道按钮交通灯的具体要求。3.写出输出与定时器之间的逻辑关系。4.写出输入输出分配表和程序。
36
熟练使用基本指令,根据控制要求,掌握PLC的编程方法和程序调试方法,了
解使用PLC解决一个实际问题。
信号灯受一个启动开关控制,当启动开关接通时,信号灯系统开始工作,且先
南北红灯亮,东西绿灯亮。当启动开关断开时,所有信号灯都熄灭;南北红灯亮维
持25秒,在南北红灯亮的同时东西绿灯也亮,并维持20秒;到20秒时,东西绿灯闪亮,闪亮3秒后熄灭。在东西绿灯熄灭时,东西黄灯亮,并维持2秒。到2秒时,东西黄灯熄灭,东西红灯亮,同时,南北红灯熄灭,绿灯亮,东西红灯亮维持30秒。南北绿灯亮维持20秒,然后闪亮3秒后熄灭。同时南北黄灯亮,维持2秒后熄灭,这时南北红灯亮,东西绿灯亮。周而复始。

37
1.输入输出接线。
输入SD输RYG输出RYG
出
X0南Y2Y1Y0东西Y5Y4Y3
北
2.打开主机电源将程序下载到主机中。
3.启动并运行程序观察实验现象。
1.根据要求写出梯形图
38
项目五双液混合
基础知识
一、基本指令
PLS(Pulse):上升沿微分输出指令。
PLF:下降沿微分输出指令。
PLS和PLF指令只能用于输出继电器和辅助继电器(不包括特殊辅助继电器)。
见下图中的M0仅在X0的常开触点由断开变为接通(即X0的上升沿)时的一个扫描周期内为ON,M1仅在X0的常开触点由接通变为断开(即X0的下降沿)时的_个扫描周期内为ON。当PLC从RUN到STOP,然后又由STOP进入RUN状态时,其输入信号仍
然为ON,PLSM0指令将输出一个脉冲。然而,如果用电池后备(锁存)的辅助继电器代替M0,其PLS指令在这种情况下不会输出脉冲。


SET:置位指令,使操作保持ON的指令。
RST:复位指令,使操作保持OFF的指令。
SET指令可用于Y,M和S,RST指令可用于复
位Y,M,S,T,C,或将字元件D,V和Z清零。如
果右图中X0的常开触点接通,Y0变为ON并保持该
状态,即使X0的常开触点断开,它也仍然保持ON
状态。当X1的常开触点闭合时,Y0变为OFF并保
39
持该状态,即使X1的常开触点断开,它也仍然保持OFF状态对同一编程元件,可多
次使用SET和RST指令,最后一次执行的指令将决定当前的状态。RST指令可将数据寄存器D、变址寄存器Z租V的内容清零,RST指令还用来复位积算定时器T246~T255和计数器。SET、RST指令的功能与数字电路中RS触发器的功能相似,SET与RST指令之间可以插入别的程序。如果它们之间没有别的程序,最后的指令有效。
下图中0的常开触点接通时,积算定时器T246.复位,X3的常开触点接通时,
计数器C200复位,它们的当前值被清0,常开触点断开,常闭触点闭合。在任何情况下,RST指令都优先执行。计数器处于复位状态时,输入的计数脉冲不
起作用。如果不希望计数器和积算定时器具有断电保持功能,可以在用户程序开始
运行时用初始化脉冲M8002将它们复位


40
用经验设计法设计梯形图时,没有一套固定的方法和步骤可以遵循,具有很
大的试探性和随意性,对于不同的控制系统,没有一种通用的容易掌握的设计方
法,分析起来非常困难,并且很容易遗漏一些应该考虑的问题。所以又有了一种
简便方法就是顺序控制。
所谓顺序控制,就是按照生产工艺预先规定的顺序,在各个输入信号的作用
下,根据内部状态和时间的顺序,在生产过程中各个执行机构自动地有秩序地进
行操作。使用顺序控制设计法首先根据系统的工艺过程,画出顺序功能图,然后
根据顺序功能图画出梯形图。有的PLC编程软件为用户提供了顺序功能图(SFC)语言,在编程软件中生成顺序功能图后便完成了编程工作。
顺序控制设计法是一种先进的设计方法,很容易被初学者接受,对于有经验
的工程师,也会提高设计的效率,程序的调试、修改和阅读也很方便。
(Sequentialfunctionchart,简称为SFC)是描述控制系统的控
制过程、功能和特性的一种图形,也是设计PLC的顺序控制程序的有力工具。
如下小车左右运行顺序功能图

41
顺序功能图并不涉及所描述的控制功能的具体技术,它是一通用的技术语
言,可以进一步设计和不同专业的人员之间进行技术交流之用。
使系统由当前步进入下一步的信号弹称为转换条件,转换条件可以是外部的
输入信号,如按钮、指令开关、限位开关的接通/断开等;也可以是PLC内部产
生的信号,如定时器、计数器常开触点的接通等,转换条件还可能是若干个信号
的与、或、非逻辑组合。如图5-1中“X1”
顺序控制设计法用转换条件控制代表各步的编程元件,让它们的状态按一定
的顺序变化,然后用代表各步的编程元件去控制PLC的各输出继电器。
1.单序列
单序列由一系列相继激活的步组成,每一步的后面仅有一个转换,每一个转换
的后面只有一个步。如下图a
2.选择序列
选择序列的开始称为分支,转换符号只能标在水平连线之下。如果步5是活动步,并且转换h=1,将发生由步5?步8的进展。如果步5是活动步,并且k=1,将发生由步5?步10的进展。如果将优先选择h对应的序列,一般只允许同时选择一
个序列,即选择序列中的各序列是互相排斥的,其中的任何两个序列都不会同时执
行。如下图b
3.并行序列
并行序列的开始称为分支,当转换的实现导致几个序列同时激活时,这些序列
称为并行序列。当步3是活动步,并且转换条件e=1,4和6这两步同时变为活动步,
同时步3变为不活动步。为了强调转换的同步实现,水平连线用双线表示。步4,6被同时激活后,每个序列中活动步的进展将是独立的。在表示同步的水平双线之上,
只允许有一个转换符号。并行序列用来表示系统的几个同时工作的独立部分的工作
情况。在每一个分支点,最多允许8条支路,每条支路的步数不受限制。如下图c
42

、
1.步骤
顺序控制设计法最基本的思想就是将系统的一个工作周期的划分为若干个顺序
相连的阶段,这些阶段称为步(Step)。
步是根据输出量的状态变化来划分的,在任何一步之内,各输出量的ON/OFF
状态不变,但是相邻两步输出量总的状态是不同的,步的这种划分方法使代表各步
的编程元件的状态与各输出量的状态是之间有着极为简单的逻辑关系。
1.初始步
与系统的初始状态相对应的步称为初始步,初始状态一般是系统等待起动命令的
相对静止的状态。初始步用双线方框表示,每一个顺序功能图至少应该有一个初始
步。
2.活动步
当系统正处于某一步所在的阶段时,该步处于活动状态,称该步为“活动步”。
步处于活动状态时,相应的动作被执行:处于不活动状态时,相应的非存储型动作
被停止执行。
43
送料小车开始停在左侧限位开关X2处。如图:

按下起动按钮X0,X2变为ON,打开贮料斗的闸门,开始装料,同时用定时器
T0定时,10s后关闭贮料斗的闸门,Y0变为ON,开始右行,碰到限位开关X1后停
下来卸料(Y3为ON),同时用定时器T1定时;5s后Y1变为ON,开始左行,碰到限位开关X2后返回初始状态,停止运行。
步是用编程元件辅助继电器M和顺序控制状态继电器S来代表。1.特殊辅助继电器
特殊辅助继电器共256点,它们用来表示PLC的某些状态,提供时钟脉冲和标
志(如进位、借位标志),设定PLC的运行方式,或者用于步进顺控、禁止中断、设
定计数器是加计数还是减计数等。特殊辅助继电器分为两类:
(1)触点利用型
由PLC的系统程序来驱动触点利用型特殊辅助继电器的线圈,在用户程序中直
接使用其触点,但是不能出现它们的线圈,下面是几个例子:
44

M8000(运M800行监视):当PLC执行用户程序时,M8000
为ON;停止执行时,0为OFF见上图。
M8002(初始化脉冲):M8002仅在M8000由OFF变为ON状态的一个扫描周期内为ON(见图5-4),可以用M8002的常开触点来使有断电保持功能的元件初始化复位
或给它们置初始值。
M801l~M8014分别是10ms,100ms,ls和1min时钟脉冲。
M8005(锂电池电压降低):电池电压下降至规定值时变为ON,可以用它的触点驱动输出继电器和外部指示灯,提醒工作人员更换锂电池。2.状态继电器(S)
状态继电器是用于编制顺序控制程序的一种编程元件(状态标志),它与后面介绍的STL
指令(步进梯形指令)一起使用。
通用状态继电器没有断电保持功能。在使用IST(初始化状态功能)指令时,其中的S0~
S9供初始状态使用。
电池后备/锁存状态继电器在断电时用带锂电池的RAM或EEPROM来保存其ON/OFF
状态。
45
状态继电器使用举例

某机械手先后有下降、夹紧等动作,其顺序功能图如图3.9所示。如果起动信号X0为ON,则状态继电器S20被置位(变为ON),控制下降的电磁阀Y0动作。下限位开关Xl为ON时,状态继电器S21被置位,控制夹紧的电磁阀Y1动作。随着动作的转移,前一状态继电器自动变为OFF状态。不对状态继电器使用步进梯形指令时,
可以把它们当作普通辅助继电器(M)使用。
步进梯形指令(StepLadderInstructoin)简称为STL指令,FX系列PLC还
有一条使STL指令复位的RET指令。利用这两条指令,可以很方便地编制顺序控制
梯形图程序。
顺序功能图中的每一步对应一小阶段程序,每一步与其他完全隔离开的。使用
者根据他的要求将这些程序段按一定的顺序组合在一起,就可以完全控制任务。这
种编程方法可以节约编程的时间,并能减少编程错误。
46

用FX系列PLC的状态继电器编制顺序控制程序时,一般应与STL指令一起使用。S0~S9用于初始步,S10~S19用于自动返回原点。使用STL指令的状态继电器的常开触点称为STL触点,它是一种“胖”触点,从上图可以看出顺序功能图与梯形图
之间的对应关系,STL触点驱动的电路块具有三个功能即对负载的驱动处理、指定
转换条件和指定转换目标。
STL触点一般是与左侧母线相连的常开触点,当某一步为活动步时,对应的STL
触点接通,它右边的电路被处理,直到下一步被激活。
系统的初始步应使用初始状态继电器S0~S9,它们应放在顺序功能图的最上
面,在由STOP状态切换到RUN状态时,可用此时只ON一个扫描周期的初始化脉冲
M8002来将初始状态继电器置为ON,为以后步的活动状态的转换作好准备。需要从
一步返回初始步时,应对初始状态继电器使用OUT指令。下面通过实例说明步进指令的编程方法

47
图中旋转工作台用凸轮和限位开关来实现运动控制。在初始状态时左限位开关
X3为ON,按下起动按钮X0,Y0变为ON,电机驱动工作台沿顺时针正转,转到右限
位开关X4所在位置时暂停5(用TO定时),定时时间到时Y1变为ON,工作台反转,S
回到限位开关X3所在的初始位置停止转动,系统回到初始状态。使用STL指令应注意以下问题:
(1)与STL触点相连的触点应使用LD或LDI指令,即LD点移到STL触点的右侧,该点成为临时母线。最后一个STL电路结束时一定要使用RET指令,否则将出现“程
序错误”信息,PLC不能执行用户程序。
(2)STL触点可以直接驱动或通过别的触点驱动Y,M,S,T等元件的线圈和应用
指令。STL触点右边不能使用堆栈(MPS)指令。
(3)不同的STL触点可以分别驱动同一编程元件的一个线圈。但是同一元件的线圈
不能在可能同时为活动步的STL区内出现,在有并行序列的顺序功能图中,应特别
注意这一问题。
(4)在步的活动状态的转换过程中,相邻两步的状态继电器会同时ON一个扫描周期,可能会引发瞬间的双线圈问题。为了避免不能同时接通的两个输出(如控制异
步电动机正反转的交流接触器线图)同时动作,除了在梯形图中设置软件互锁电路
外,还应在PLC外部设置由常闭触点组成的硬件互锁电路。
(5)STL指令不能与MC-MCR指令一起使用。在FOR-NEXT结构中、子程序和中断
程序中,不能有STL程序块,STL程序块不能出现的FEND指令之后。
(6)在转换条件对应的电路中,不能使用ANB,ORB,MPS,MRD和MPP指令。可用转换条件对应的复杂电路来驱动辅助继电器,再用后者的常开触点来作转换条件。
本实验为两种液体混合装置,SL1、SL2、SL3为液面传感器,液体A、B阀门与混合液阀门由电磁阀YV1、YV2、YV3控制,M为搅匀电机,控制要求如下:
初始状态:装置投入运行时,液体A、B阀门关闭,混合液阀门打开20秒将容器放空后关闭。
48
启动操作:按下启动按钮SB1,装置就开始按下列约定的规律操作:
混合液体阀打开先将剩余液体放完。液体A阀门打开,液体A流入容器。当液面到达SL2时,SL2接通,关闭液体A阀门,打开液体B阀门。液面到达SL1时,关闭液体B阀门,搅匀电机开始搅匀。搅匀电机工作6秒后停止搅动,混合液体阀门打开,
开始放出混合液体。当液面下降到SL3时,SL3由接通变为断开,再过2秒后,容器放空,混合液阀门关闭,开始下一周期。
停止操作:按下停止按钮SB2后,在当前的混合液操作处理完毕后,才停止操作
(停在初始状态上)。

上图中,SL1、SL2、SL3为液面传感器,用钮子开关来模拟
1、输入输出接线
SB1SL1SL2SL3YV1YV2YV3YKM
输入输出
X1X2X3X4Y0Y1Y2Y3
49
主机模块的COM接主机模块输入端的COM和输出段的COM1、COM2、COM3、COM4、
COM5。
主机模块的24+、COM分别接在实验单元的V+,COM。
2、打开主机电源将程序下载到主机中。
3、启动并运行程序观察实验现象。


50


51
1.熟练使用置位和复位等各条基本指令,通过对工程实例的模拟。
2.熟练地掌握PLC的编程和程序调试。1.在液体混合装置控制模拟实验区完成本实验2.掌握基本知识。
5.启动编程软件创建项目。
6.进行硬件组态。
7.输入输出点分配。
8.写入程序并调试。
八.实训报告:
1.写出创建项目的过程。
2.写出液体混合器控制的具体要求。
3.写出输入输出分配表和程序。
52
用数据移位指令来实现机械手动作的模拟。
本实验是将工件由A处传送到B处的机械手,上升/下降和左移/右移的执行用双线圈二位电磁阀推动气缸完成。当某个电磁阀线圈通电,就一直保持现有的机械动作,
例如一旦下降的电磁阀线圈通电,机械手下降,即使线圈再断电,仍保持现有的下降
动作状态,直到相反方向的线圈通电为止。另外,夹紧/放松由单线圈二位电磁阀推
动气缸完成,线圈通电执行夹紧动作,线圈断电时执行放松动作。设备装有上、下限
位和左、右限位开关,限位开关用钮子开关来模拟,所以在实验中应为点动。电磁阀
和原位指示灯用发光二极管来模拟。本实验的启始状态应为原位(即SQ2与SQ4应为
ON,启动后马上打到OFF),它的工作过程如图所示,有八个动作,即为:
原位下降夹紧上升右移
左移上升放松下降

53
1、输入输出接线
输S1SQ1SQ2SQ3SQ4输YV1YV2YV3YV4Y5HL入出X0X1X2X3X4Y0Y1Y2Y3Y4Y5
主机模块的COM接主机模块输入端的COM和输出段的COM1、COM2、COM3、COM4、COM5。
主机模块的24+、COM分别接在实验单元的V+,COM。
2、打开主机电源将程序下载到主机中。
3、启动并运行程序观察实验现象。
54
项目六运料小车基础知识
FX系列PLC的状态初始化指令IST(InitialState)的功能指令编号为FNC60,它与STL指令一起使用,专门用来设置具有多种工作方式的控制系统的初始
状态和设置有关的特殊辅助继电器的状态,可以大大简化复杂的顺序控制程序的设
计工作。IST指令只能使用一次,它应放在程序开始的地方,被它控制的STL电路
应放在它的后面。
机械手控制系统的顺序功能图如图所示。该系统的初始化程序用来设置初始状
态和原点位置条件。IST指令中的S20和S30用来指定在自动操作中用到的最低和最高的状态继电器的元件号,IST中的源操作数可取X,Y和M,图中IST指令的源
操作数X10用来指定与工作方式有关的输入继电器的首元件,它实际上指定从
X10~X17这8个输入继电器具有以下的意义:

X10:手动
X11:回原点
X12:单步运行
X13:单周期运行(半自动)
X14:连续运行(全自动)
X15:回原点起动
X16:自动操作起动
X17:停止
如果IST指令的源操作数是X0,那
么则代表实际指定了X0~X7这8个输
入继电器。
IST指令的执行条件满足时,初始状态
继电器S0~S2和下列的特殊辅助继电
器被自动指定为以下功能,以后即使IST指令的执行条件变为OFF,这些元件的功
55
能仍保持不变:
M8040:禁止转换
M8041:转换起动
M8042:起动脉冲
M8043:回原点完成S0:手动操作初始状态继电器
M8044:原点条件S1:回原点初始状态继电器
M8047:STL监控有效S2:自动操作初始状态继电器
1.IST指令用于工作方式选择的输入继电器元件号的处理
IST指令可以使用元件号不连续的输入继电器(如图b),也可以只使用前述的
部分工作方式。图中的特殊辅助继电器M8000在RUN(运行)状态时为ON,其常闭触点一直处于断开状态。图中只有回原点和连续两种工作方式。其余的工作方式是
被禁止的,“起动”与“回原点起动”功能合用一个按钮X32。

2.由IST指令自动控制的特殊辅助继电器
56
(1)禁止状态转换标志M8040:其线圈“通电”时,禁止所有的状态转换。手动工作方式时它一直为ON,即禁止在手动时步的活动状态的转换。在回原点和单
周期工作方式,从按下停止按钮到按下起动按键之间M8040起作用。如果在运行过
程中按下停止按钮,M040变为ON并自保持,转换被禁止。在完成当前步的工作后,
停在当前步。按下起动按钮后,M8040变为OFF,允许转换,系统才能转换到下一步,
继续完成剩下的工作。
在单步工作方式,M8040一直起作用,只是在按了起动按钮时不起作用,允许
转换。在连续工作方式,STOP?RUN时,初始化脉冲M8002ON一个扫描周期,M8040变为ON并自保持,禁止转换;按起动按钮后M8040变为OFF,允许转换。
(2)状态转换起动标志M8041:它是自动程序中的初始步S2到下一步的转换条
件之一。它在手动和自动返回原点方式时不起作用。在单步和单周期工作方式只是
在按起动按钮时起作用(无保持功能)。在连续工作方式按起动按钮时M8041变为ON并自保持,按停止按钮后变为OFF,保证了系统在连续运行。
(3)起动脉冲标志M8042;在非手动工作方式按起动按钮和回原点起动按钮,
它ON一个扫描周期。
系统启动后,选择手动方式(按下微动按钮A4),通过ZL、XL、RX、LX四个开关的状态决定小车的运行方式。装料开关ZL为ON,系统进入装料状态,灯S1亮,ZL为OFF,右行开关RX为ON,灯R1、R2、R3依次点亮,模拟小车右行,卸料开关
XL为ON,小车进入卸料,XL为OFF,左行开关LX为ON,灯L1、L2、L3依次点亮,模拟小车左行。选择自动方式(按下微动按钮A3),系统进入装料?右行?卸料?装
料?左行?卸料?装料循环。选择单周期方式(按下微动按钮A2),小车运行来回一
次。选择单步方式,按一次微动按钮A1一次,小车运行一步。
57

1、输入输出接线
启装卸右左单单自手
动料料行行步周期动动输
入X1X1
X1X2X3X4X5X6X7
01
装卸右右右左左左行
输料料行R1行R2行R3行L1行L2L3出
Y0Y1Y2Y3Y4Y5Y6Y7主机模块的COM接主机模块输入端的COM和输出段的COM1、COM2、COM3、COM4、COM5主机模块的24+、COM分别接在实验单元的V+,COM
2、打开主机电源将程序传入主机中。
58
3、启动并运行程序观察实验现象。


59


60


61



62


?用PLC构成运料小车控制系统,掌握多种方式控制的编程。
?学习IST指令用法。
?掌握IST指令有关知识。
?编写运料小车控制程序。
?在运料小车控制模拟实验单元完成本实验。?启动编程软件创建项目。
?输入输出点分配。
?编译程序并调试。
?写出创建项目的过程。
?写出运料小车控制的具体要求。
?写出输入输出分配表和程序。
63
了解移位寄存器在控制系统中的应用及针对位移寄存器指令的编程方法。
在本实验中,传送带共有二十个工位。工件从1号位装入,依次经过2号位、3号位„„16号工位。在这个过程中,工件分别在A(操作1)、B(操作2)、C(操作3)三个工位完成三种装配操作,经最后一个工位后送入仓库。注:其它工位均用于
传送工件。

64
1、输入输出接线
输启动移位复
入位
X0X1X2
输ABCDEFGH
出Y0Y1Y2Y3Y4Y5Y6Y7
主机模块的COM接主机模块输入端的COM和输出段的COM1、COM2、COM3、COM4、
COM5。
主机模块的24+、COM分别接在实验单元的V+,COM。
2、打开主机电源将程序下载到主机中。
3、启动并运行程序观察实验现象。
65
项目七:数码管显示
基础知识
1.通用数据寄存器
数据寄存器(D)在模拟量检测与控制以及位置控制等场合用来储存数据和参数,
数据寄存器可储存16位二进制数或一个字,两个数据寄存器合并起来可以存放32位数据(双字),在:D0和D1组成的双字中,D0存放低16位,D1存放高16位。字或双字的最高位为符号位,该位为0时数据为正,为1时数据为负。
将数据写入通用数据寄存器后,其值将保持不变,直到下一次被改写。PLC从RUN状态进入STOP状态时,所有的通用数据寄存器的值被改写为0。如果特殊辅助继电器M8033为ON,PLC从RUN状态进入STOP状态时,通用数据寄存器的值保持不变。

2.电池后备/锁存数据寄存器
电池后备/锁存数据寄存器有断电保持功能,PLC从RUN状态进入STOP状态时,电池后备寄存器的值保持不变。利用参数设定,可改变电池后备的数据寄存器的范
围。
3.特殊寄存器D8000~D8255
特殊寄存器D8000~D8255共256点,用来控制和监视PLC内部的各种工作方式
和元件,如电池电压、扫描时间、正在动作的状态的编号等。PLC上电时,这些数
66
据寄存器被写入默认的值。
4.文件寄存器
文件寄存器以500点为单位,可被外部设备存取。文件寄存器实际上被设置为
PLC的参数区。文件寄存器与锁存寄存器是重叠的,可保证数据不会丢失。FX的文1S件寄存器只能用外部设备(如手持式编程器或运行编程软件的计算机)来改写。其他系列的文件寄存器可通过BMOV(块传送)指令改写。
5.外部调整寄存器
FX和FX有两个内置的设置参数用的小电位器见右图--设置参数的小电位器,1SIN
用小旋具调节电位器,可以改变指定的数据寄存

器D8030或D803l的值(0~255)。FX和FX没2N2NC
有内置的供设置用的电位器,但是可用附加的特
殊功能扩展板:FX8AVBD来实现同样的功2N
能,该单元上有8个小电位器,使用应用指令
VRRD(模拟量读取)和VRSC(模拟量开关设置)来读取电位器提供的数据。设置用的小
电位器常用来修改定时器的时间设定值。
6.变址寄存器
FX和FX有两个变址寄存器V和Z,FX和FX有16个变址寄存器V0~V7和1SIN2N2NC
Z0~Z7,在32位操作时将V,Z合并使用,Z为低位。变址寄存器用来改变编程元
件的元件号,例如当V=12时,数据寄存器的元件号D6V相当于D18(12+6=18)。通过修改变址寄存器的值,可以改变实际的操作数。变址寄存器也可以用来修改常数
的值,例如当Z=21时,K48Z相当于常数69(21+48=69)。
7段译码指令SEGD(SevernSegmentDecode)将源操作数指定的元件的低4位中的十六进制数(0~F)译码后送给7段显示器显示,译码信号存于目标操作数指
定的元件中,输出时要占用7个输出点。
1.带锁存的7段显示指令(FNC74)
带锁存的7段显示指令SEGL(SevenSegmentWithLatch)用12个扫描周期
67
显示一组或两组4位数据,占用8个或12全晶体管输出点。
2.方向开关(FNC75)
方向开关指令ARWS(ArrowSwitch)用方向开关(4只按钮)来输入4位BCD数据,输入的数据用带锁存的7段显示器显示。输入数据时用左移、右移开关来移
动要修改和显示的位,用如、减关开增减该位的数据。该指令占用4个输入点和8个输出点。
本实验用八组LED发光二极管模拟八段数码管的显示。程序运行后先是一段段显
示,显示次序是A、B、C、D、E、F、G、H;随后显示数字及字符,显示次序是0、1、2、3、4、5、6、7、8、9、A、b、C、d、E、F,再返回初始显示,并循环不止,断开
启动开关实验停止。

68
1、输入输出接线
输入SD输出ABCDEFGH
接线接线X0Y0Y1Y2Y3Y4Y5Y6Y7
主机模块的COM接主机模块输入端的COM和输出段的COM1、COM2、COM3、COM4、COM5
主机模块的24+、COM分别接在LED数码显示控制实验单元的V+,COM
2、打开主机电源将程序下载到主机中。
3、启动并运行程序观察实验现象。

69



70


71
1.能够熟练地使用数码管,编写简单的程序去实现其功能;
2.要熟悉数字译码输出指令。
1.编写程序使数码管显示不的字母和数字;
2.掌握基本知识。
9.启动编程软件创建项目。
10.进行硬件组态。
11.输入输出点分配。
12.写入程序并调试。
七、实训报告
1.写出创建项目的过程。
2.写出数码管显示的具体要求。
3.写出输入输出分配表和程序。
72
拓展一
熟练使用各基本指令,根据控制要求,掌握PLC的编程方法和程序调试方法,使
学生了解用PLC解决一个实际问题的全过程。
信号灯受一个启动开关控制,当启动开关接通时,信号灯系统开始工作,数码管
开始倒计时(注:THPLC-A型无此功能),且先南北红灯亮,东西绿灯亮。当启动开
关断开时,所有信号灯都熄灭。
南北红灯亮维持25秒,在南北红灯亮的同时东西绿灯也亮,并维持20秒。到20秒时,东西绿灯闪亮,闪亮3秒后熄灭。在东西绿灯熄灭时,东西黄灯亮,并维
持2秒。到2秒时,东西黄灯熄灭,东西红灯亮,同时,南北红灯熄灭,绿灯亮。
东西红灯亮维持30秒。南北绿灯亮维持20秒,然后闪亮3秒后熄灭。同时南北黄灯亮,维持2秒后熄灭,这时南北红灯亮,东西绿灯亮。周而复始

73
1、输入输出接线
东西G东西Y东西R南北G南北Y南北R输SD输入Y0Y1Y2Y3Y4Y5X0出A1B1C1D1A2B2C2D2
Y6Y7Y10Y11Y12Y13Y1Y1
45主机模块的COM接主机模块输入端的COM和输出段的COM1、COM2、COM3、COM4、COM5。
主机模块的24+、COM分别接在实验单元的V+,COM。
2、打开主机电源将程序下载到主机中。
3、启动并运行程序观察实验现象。
根据前面所学的知识,我们以三人抢答器为例,学习组态与PLC的连接。(1)建立工程(2)变量的定义
变量分配即对数据定义前需要对系统进行分析,确定需要的变量,三人抢答器需要
12个变量。如表所示:
三人抢答器变量分配表
变量名类型注释
X10开关型三人抢答器启动信号X10输入1有效
X11开关型三人抢答器复位信号X11输入1有效
X0开关型三人抢答器1号抢答信号X0输入1有效
X1开关型三人抢答器2号抢答信号X1输入1有效
X3开关型三人抢答器3号抢答信号X3输入1有效
Y0开关型1号选手抢答启动信号Y0输出1有效
Y1开关型2号选手抢答启动信号Y1输出1有效
Y2开关型3号选手抢答启动信号Y2输出1有效
Y3开关型1号选手抢答犯规信号Y3输出1有效
Y4开关型2号选手抢答犯规信号Y4输出1有效
74
Y5开关型3号选手抢答犯规信号Y5输出1有效Y6开关型三人抢答器延时指示信号
(3)设备与变量的连接
MCGS提供了大量工控领域常用设备驱动程序的接口。使用者只需通过“设备窗口”
进行简,就可以使计算机直接与各种工控系统常用的设备如PLC、智能仪表、数据采集板卡等进行数据交换。这个特点使测控系统的设单的设置计者跟本不需要了解
计算机和I/O设备的详细结构,编写单独的接口程序,因此降低了系统设计的难度,
简化了系统设计过程。
由于“三人抢答器”使用中泰PCI-6408I/O接口卡,假设已将该卡安装在计算
机的PCI总线扩展槽上,并在计算机中安装了该卡的驱动程序。现在需要在MCGS
中对PCI-6408I/O接口卡进行连接,连接的目的一是在“三人抢答器”项目中装如
该卡的驱动程序,以便计算机可以和它进行数据交换,这个过程也可以称为设备连
接;二是告诉计算机启动X10按钮、复位X11等信号是通过卡上的哪个通道输入或
者输出的,这就是变量的连接,也称为设备属性设置。
连接过中设备属性设置
(1)设备驱动程序的装入步骤如下:
(a)单击工作台中的“设备窗口”选项卡,进入“设备窗口”如图:

75


选择“设备0-[串口通讯父设备]”和“PLC设备”中的三凌“FX-232”。将其添加到设备组态中,出现如图所示:
76

双击父设备0-[串口通讯父设备]出现如先图所示:在设备属性值中,修改参数,如:最小采集周期:100、通讯波特率6-9600等参数的修改。

双击设备0-[串口通讯父设备],在通道连接中将对应的数据填写到通道连接中,
77
如先图所示:

如果“对应数据对象”中没有输出通道Y,则双击设备1-[三菱FX-232],出下出现“设备属性设置”电击“设置设备内部属性”如图所示:

下一步单击设置设备内部属性出现图(a),单击“增加通道”,出现图(b)选择“Y输出寄存
78


(a)
(b)
“确定”之后单击索引拷贝,将出现Y0、Y1、Y2„„即将Y0、Y1、Y2„„全部添加到PLC
通道中。

设备调试窗口如图所示:
79

建立简单的画面如图所示:

80
程序编写在脚本程序中,但MCGS与PLC的连接,只需要将梯形图写入PLC中,将通道设置好,不需要在脚本程序中编写程序。至此完成了PLC与MCGS的连接。PLC的运行情况可在MCGS中观察到。

拓展二
数码显示组态图
81

项目八天塔之光基础知识
1.传送指令的分类
82
传送指令包括:
MOV(传送)、
SMOV(BCD码移位传送)、
CML(取反传送)、
BMOV(数据块传送)
FMOV(多点传送)
XCH(数据交换)指令。
2.传送指令的梯形图表达式
传送指令MOV(Move)将源数据传送到指定目标,下图为16位/32位数据传输
指令梯形图表达式图中的X1为ON时常数100被传送到D10,并自动转换为二进制数。

MOV指令的两种形式:
FX系列PLC的功能指令有连续执行型和脉冲执行型两种形式。连续执行型的如:

上图为连续行传送梯形图表达式如图中程序,当X1为ON时,上述指令在每个扫描周期都被重复执行一次。
脉冲执行型的如:
83

3.移位传送指令
移位传送指令SMOV(shiftMove)将4位十进制(Decimal)源数据[S]中指定位数的数据,传送到4位十进制目的操作数中指定的位置。
4.取反传送指令
取反传送指令CML(Complement)将源元件中的数据逐位取反(1?0,0?1),并传送到指定目标。
5.块传送指令
(块传送指令BMOV(BlockMove)的源操作数可取Knx,KnY,KnM,KnS,T,
C,D,V,Z和文件寄存器。目标操作数可取KnY,KnM,KnS,T,C,D,V,
Z和文件寄存器,该指令将源操作指定的元件开始的N个数据组成的数据块传送到
指定的目标,N可取K,K和D。如果元件号超出允许的范围,数据仅传送到允许的
范围。传送顺序是自动决定的,以防止源数据块与目标数据块重叠时源数据在传送
过程中被改写。如果源元件与目标元件的类型相同,传送顺序如图所示

6.多点传送指令
多点传送指令FMOV(FillMove)将单个元件中的数据传送到指定目标地址开
始的N个元件中,传送后N个元件中的数据完全相同。多点传送指令的源操作数可
取所有的数据类型,目标操作数可取KnY,KnM,KnS,T,C,D,V,和Z,N
84
为常数,n?512。X2为ON时将常数O送到D5~D14这10个(n=10)数据寄存器
中。

本实验启动后系统会按以下规律显示:L1?L1、L2?L1、L3?L1、L4?L1、L2?L1、L2、l3、L4?L1、L8?L1、L7?L1、L6?L1、L5?L1、L8?L1、L5、L6、L7、L8?L1?L1、L2、L3、L4?L1、L2、L3、L4、L5、L6、L7、L8?L1„„如此循环,周
而复始。扳下启动开关实验停止。

1、输入输出接线
输入SD输出L0L1L2L3L4L5LL
85
接线接67
线X0Y1Y2Y3Y4Y5Y6YY
78
主机模块的COM接主机模块输入端的COM和输出段的COM1、COM2、COM3、COM4、COM5
主机模块的24+、COM分别接在实验单元的V+,COM
2、打开主机电源将程序下载到主机中。
3、启动并运行程序观察实验现象。



86

1.用PLC构成闪光灯控制系统。
2.掌握传送指令的使用方法
1.在天塔之光模拟控制实验单元完成本实验。
2.设计20种不同的彩灯闪烁,并写出程序。1.启动编程软件创建项目。
2.输入输出点分配。
3.编译程序并调试。
实训报告:
1.写出创建项目的过程。
2.写出天塔之光控制的具体要求。
3.写出输入输出分配表和程序。
87
拓展
天塔之光组态图:

88
项目九:轧钢机
1.更加熟悉PLC的装置;
2.能够自主地用PLC构成轧钢机的控制系统。
1.能够独立地完成轧钢机控制系统的程序的编写;
2.要自主地完成起PLC的外部接线。
启动编程软件并创建项目;
1.编写程序并调试无误。
2.输入输出点连接
1.三菱FX2n;
2.导线、实验装置。
当启动按钮SD按下,电机M1、M2运行,传送钢板,检测传送带上有无钢板的传
感器S1的信号(即开关为ON),表示有钢板,电机M3正转(MZ灯亮);S1的信号消失(为OFF),检测传送带上钢板到位后的传感器S2有信号(为ON),表示钢板到位,电磁阀动作(YU1灯亮),电机M3反转(MF灯亮)。给一向下压下量,S2信号消失,S1有信号,电机M3正转„„重复上述过程。
X2第一次接通,发光管A亮,表示有一向下压下量,第二次接通时,A、B亮,表示有两个向下压下量,第三次接通时,A、B、C亮,表示有三个向下压下量,若此
时S2向下打,则在X2第三次接通断开时,电磁阀YU1灯灭,“A、B、C”全灭,“M2”
灯亮送走钢板,按下启动开关系统停止工作。
89

输入输出点分配:
输启动S1S2输M1M2MZMFABCYU1入出X0X1X2Y0Y1Y2Y3Y4Y5Y6Y7
90


编写设计说明书,内容包括:
(1)设计过程和有关说明。
(2)PLC控制程序(梯形图和指令表)。
(3)电器元器件的选择和有关计算。
91
1.通过对加工中心实验的模拟,掌握运用PLC解决实际问题的方法。
2.熟练掌握PLC的编程和调试方法。
用X左、X右拨动开关模拟X轴的左、右方向限位;用Y前、Y后模拟Y轴的前、后限位;用Z上、Z下模拟刀具的退刀和进刀过程中的限位现象。

92
1、输入输出接线
(1)自动演示过程的接线
运行控制运行指示X灯Y灯Z灯T1T2T3T4
X0Y7Y0Y3Y1Y2Y4Y5Y6
(2)现场工作过程的接线
输入运行控制DECXDECYDECZX左X右Y前Y后Z上Z下
X0X1X2X3X4X5X6X7X10X11
输出运行指示T1T2T3T4X灯Y灯Z灯
Y0Y1Y2Y3Y4Y5Y6Y72、打开主机电源将程序下载到主机中。
3、启动并运行程序观察实验现象。
1、自动演示循环工作过程分析

93
2、现场模拟工作过程分析
(1)拨动“运行控制”开关,启动系统。“X轴运行指示灯”亮,模拟工件正沿X轴
向左运行。
(2)触动“DECX”按钮三次,模拟工件沿X轴向左运行三步,拨动“X左”限位开
关,模拟工件已到指定位置。此时T2钻头沿Z轴向下运动(Z灯、T2灯亮)。(3)触动“DECZ”按钮三次,模拟T2转头向下运行三步,对工件进行钻孔。拨动“Z
下”限位开关置ON,模拟钻头已对工件加工完毕;继续触动“DECZ”按钮三次,
模拟T2钻头返回刀库,使“Z上”限位开关置ON,将取铣刀T4,准备对工件
进行铣加工。
(4)同上,触动“DECZ”按钮三次,使“Z下”限位开关为ON,“Y轴运行指示灯”
亮,模拟对工件的铣加工。
(5)触动“DECY”按钮4次后,拨动“Y前”限位开关置ON,模拟铣刀已对工件加
工完毕,系统进入退刀状态(Z轴运行指示灯亮)。
(6)再次触动“DECZ”按钮三次,置位“Z上”限位开关,模拟铣刀T4已回刀库,
“X灯”亮,进入下一轮加工循环。
注:除“运行控制”开关之外,各钮子开关动作之后都须复位。
94
拓展二
轧钢机组态图:

95
项目十:输煤机皮带传送
1.熟悉PLC装置的运用;
2.熟练地运用前面几个项目所学的知识,独立地完成输煤机皮带传送的控制系统。
:
1.要自主地设计一个简单的控制过程,并编写出程序;
2.独立完成实训报告。
1.动编程软件创建项目。
2.编译程序并调试。
1.三菱FX2n系列;
3.入输出点连接。
2.实验台、导线。
系统启动后,配料装置能自动识别货车到位情况和能够自动对货车进行配料,当
车装满时,配料系统能自动关闭。系统工作过程如下:
1.初始状态:红灯L2灭,绿灯L1亮,表明允许汽车开进装料。料斗出料口D2关闭,若料位传感器S1置为OFF(料斗中的物料不满),进料阀开启进料(D4亮)。当S1置为ON(料斗中的物料已满),则停止进料(D4灭)。电动机M1、M2、M3和M4均为OFF。
2.装车控制:装车过程中,当汽车开进装车位置时,限位开关SQ1置为ON,红灯信号灯L2亮,绿灯L1灭;同时启动电机M4,经过2S后,再启动启动M3,再经2S后启动M2,再经过2S最后启动M1,再经过2S后才打开出料阀(D2亮),物料经料斗
出料。
当车装满时,限位开关SQ2为ON,料斗关闭,2S后M1停止,M2在M1停止2S
96
后停止,M3在M2停止2S后停止,M4在M3停止2S后最后停止。同时红灯L2灭,绿灯L1亮,表明汽车可以开走。
3.停机控制:按下停止按钮SB2,自动配料装车的整个系统终止运行。

输入SB1SB2S1SQ1SQ2
X0X1X2X3X4
输出D1D2D3D4L1L2M1M2M3M4
Y0Y1Y2Y3Y4Y5Y6Y7Y10Y11
97
:


98
编写设计说明书,内容包括:
(1)设计过程和有关说明。
(2)PLC控制程序(梯形图和指令表)。(3)电器元器件的选择和有关计算。
99
100





