我们在使用PLCIO模块的时候,高频率会遇到一些与IO有关的用法和功能,有与IO模块型号中特定符号有关的,有与IO模块特性有关的,它们都与选型和使用息息相关。下面就从几个方面为大家一一介绍。
一、IO模块BA,ST,HF,HS的区别西门子的分布式IO系统,目前最常用的要数ET200MP和ET200SP中的IO模块了,它们的型号后面缀以了BA、ST、HF、HS,如IO模块DI8x24VDCST,如图1所示。

图1.DI模块
这四个后缀表示了它们的另外一个身份:
BA:Basic,表示是基本模块,用以满足基本需求;
ST:Standard,表示是标准模块,用以满足用户的大部分需求;
HF:HighFeature,表示是高性能模块,具备一些高级功能;
HS:HighSpeed,表示是高速模块,优化了高速处理的性能,以满足对性能和速度的较高要求。
下面就让我们看看IO模块的这四个身份都有哪些区别,了解了这些区别将会有助于选型和使用:
诊断功能
等时模式
过采样
对于不同的IO类型还有与之相关的功能区别,比如:
DQ模块是否支持脉宽调制PWM
DI模块是否支持集成计数功能
AI模块是否支持可变量程
在选型时根据需求可参考这些区别进行选择,如果有其它方面的需求如信号类型、测量范围以及测量误差等可参考手册中模块的技术规范进行选择。
这里先为大家说明一下IO模块的诊断功能,它们包括基本诊断功能,模块诊断功能,通道诊断功能。基本诊断功能主要是针对BA型的模拟量输入模块而言的,支持的是模块级别的故障诊断。而诊断功能的组态模式有模块组态和通道组态,前者是按模块设置诊断功能的,而后者可以按通道设置诊断功能,如图2所示诊断的几个级别。

图2.诊断级别
ET200MP和ET200SP的IO模块的功能有所不同,下面将分别作以介绍。
1.1ET200MP的IO模块
表1汇总了ET200MP的IO模块中BA、ST、HF和HS四个身份不同的功能。
表1.ET200MP模块区别

1.2ET200SP的IO模块
表2汇总了ET200SP的IO模块中BA、ST、HF和HS四个身份不同的功能。
表2.ET200SP模块区别

1.3小结
以上归纳了接口模块和IO模块的四个身份BA、ST、HF和HS的功能区别,在实际使用中需要实现某个功能时,要同时考虑接口模块和IO模块是否支持。
如要实现通道诊断功能,我们可以选择HF的IO模块即可,不需要考虑使用什么类型的接口模块。但如果要实现IO的过采样功能,不仅要选择HS的IO模块,还需要选择支持等时模式功能的接口模块。
二、模拟量模块两线制和四线制的区别这里说的模拟量模块的两线制和四线制,是接电流信号时的模拟量输入模块两线制和四线制接法,从信号源的角度来说,连接的传感器是两线制还是四线制,对应模拟量输入模块有不同的接线方法。
2.1模拟量输入模块两线制接法连接两线制传感器
此接法两线制传感器的供电由模块上对应的通道端子Uv提供。此时通道的测量类型要组态为“电流(2线制变送器)”,接法如图3所示。

图3.两线制接法
2.2模拟量输入模块四线制接法连接两线制传感器
这种接法通常用于不支持两线制的模块连接两线制的传感器。此时传感器的24VDC供电由外部24VDC电源提供。此时通道的测量类型组态为“电流(四线制变送器)”,如图4所示。

图4.四线制模块连接两线制传感器
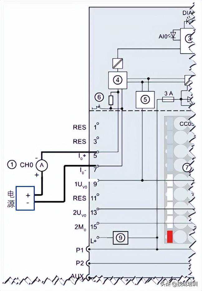
2.3模拟量输入模块四线制接法连接四线制传感器

图5.四线制接法





