
运行原理:第一个扫描周期当启动接通时,输出接通;第二个扫描周期通过输出,实现保持住输出;按下停止,程序段断开,输出为0
二、一键启停程序
运行原理:当第一次按下启动停止时,因上升沿产生一个信号接通,通过接通第二个程序段中的输出,此时第一周期完成以后断开,第三个扫描周期及以后通过输出保持住;再按一次启动停止,有信号,输出断开;再次按下启动停止,输出接通
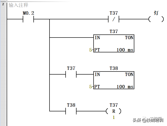
三、灯自动闪烁程序

控制原理:按下启动,有信号,灯亮,T37开始计时,当T37当前值等于预设值时,T37常闭接通,灯灭,T38开始计时,当T38当前值等于预设值时,复位T37,灯亮,如此循环;当按下停止,灯灭,停止闪烁。
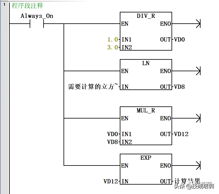
四、立方根计算程序


平时能够用得上的功能程序还有很多,只要我们把这些程序记住,或者将这些程序设置为库文件,那下次再用到的时候,直接调用即可,方便快捷。
版权声明:文章来源网络聚合,如有问题请联系删除。





