三菱MR-JE系列伺服驱动器有MR-JE-A、MR-JE-B、MR-JE-C三种,但它们所配的伺服电机都是通用的。
MR-JE伺服电机HG-KN不带电磁制动器型号有:
HG-KN13J-S100、HG-KN23J-S100、HG-KN43J-S100、HG-KN73J-S100。
1、HG-KN13J-S100外形尺寸图

HG-KN13J-S100外形尺寸图
2、HG-KN23J-S100外形尺寸图

HG-KN23J-S100外形尺寸图
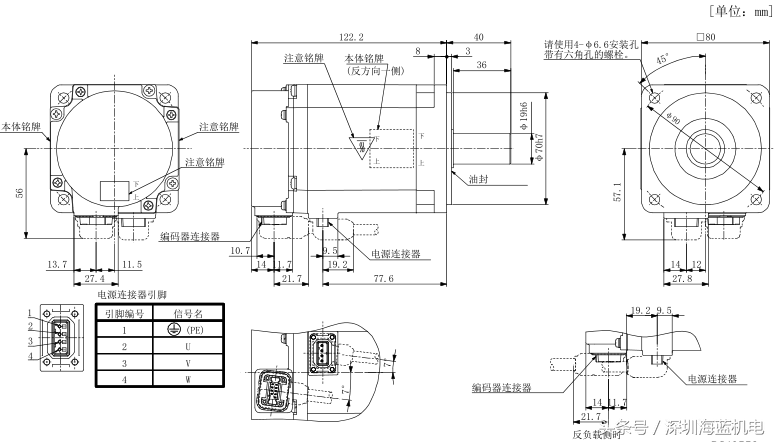
3、HG-KN43J-S100外形尺寸图

HG-KN43J-S100外形尺寸图
4、HG-KN73J-S100外形尺寸图

HG-KN73J-S100外形尺寸图
版权声明:文章来源网络聚合,如有问题请联系删除。





