脉宽调制指令PWM概要
指定了脉冲的周期和ON时间的脉冲输出的指令。
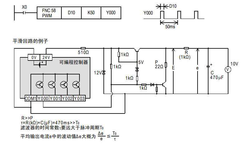
功能和动作说明1.16位运算(PWM)以周期[S2ms]单位输出ON脉冲宽度为S1ms的脉冲。

•在S1中指定脉宽t。设定范围:0~32,767ms
•在S2中指定周期T0。设定范围:1~32,767ms
•在D在中指定输出脉冲的Y编号。设定范围:Y000、Y001、Y002、Y003
注意要点1.设定脉宽及周期的时间脉宽S1和周期S2的值,请设定为S1≦S2。
2.有关脉冲输出•可以在D中指定的软元件,根据系统配置情况仅有下列的输出有效。
-使用高速输出特殊适配器*1时Y000、Y001、Y002*2、Y003*2
-使用基本单元的晶体管输出时:Y000、Y001、Y002*3
*1.高速输出特殊适配器只能连接到FX3U可编程控制器。
请使用晶体管输出型的可编程控制器。
*2.指定高速输出特殊适配器的Y002、Y003时,需要第2个高速输出特殊适配器。
*3.FX3G可编程控制器(14点、24点型)或FX3GC可编程控制器时,不能使用Y002。
•采用不受顺控程序(运算周期)的影响的中断处理方式来执行输出控制。
•指令输入为OFF时,则D输出也为OFF。
•脉冲输出过程中监控(BUSY/READY)的标志位置ON时,不能执行使用了相同输出的脉冲输出指令和定位指令。
因此,即使指令驱动触点为OFF,只要是脉冲输出过程中监控的标志位为ON,就请勿执行指定了同一输出编号的定位指令和脉冲输出指令。
被驱动时,当脉冲输出监控的标志位为OFF后,请经过1个扫描周期以上后再次执行指令。

在下面例举的程序举例中,使D10的内容在0~50间变化时,Y000的平均输出为0~100%。(D10)的内容超出50时会错误。
在下面的例子中,使用了FX3U系列的基本单元(漏型输出)。请根据所使用的可编程控制器的下述手册进行连接。

程序举例





