FX系列的PLC基本单元和扩展单元的型号由字母和数字组成,其型号格式为FX□-□□□□。如图所示。

FX系列的PLC基本单元和扩展单元的型号
2.FX2N-32MR可编程控制器外部结构
PLC外部结构基本包括输入输出端口、PLC与编程器连接口、PLC执行方式开关、LED指示灯以及PLC通讯连接与扩展接口等。
如图所示为FX2N-32MR可编程序控制器外部结构。

FX2N-32MR可编程序控制器外部结构
1—输入X端口2—输出Y端口3—X端口标识4—Y端口标识
5—方式开关6—编程器接口7—LED指示灯
3.FX2N系列PLC基本单元I/O端子的排列
FX2N-16MR、FX2N-32MR、FX2N-48MR三种PLC的I/O端子排列如图
所示。

三种FX2N系列PLC的I/O端子排列
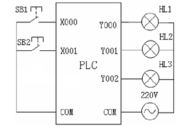
二、接线方式
在进行程序设计时,首先进行控制系统的分析,安排好I/O地址分配,画出PLC系统的I/O接线图。所谓I/O接线图就是在图纸上画出PLC控制系统中需要用到的输入设备与输入继电器的对应关系,输出设备与输出继电器的对应关系。如图所示。

PLC系统I/O接线图
需要课件可私信回复





