
RS485通讯,确切的说是一种物理层的通讯电气特性标准。
简单说,就是数字0和1的电信号表达方式的一种,跟TTL和COMS电平是同一个性质。它比运行在大多数数字电路里的TTL或者COMS电平,更适合远距离的抗干扰的通讯。
RS485又名TIA-485-A,ANSI/TIA/EIA-485或TIA/EIA-485。
RS485用一对差分信号线来传输,通常用A和B或者D+和D-来表示。
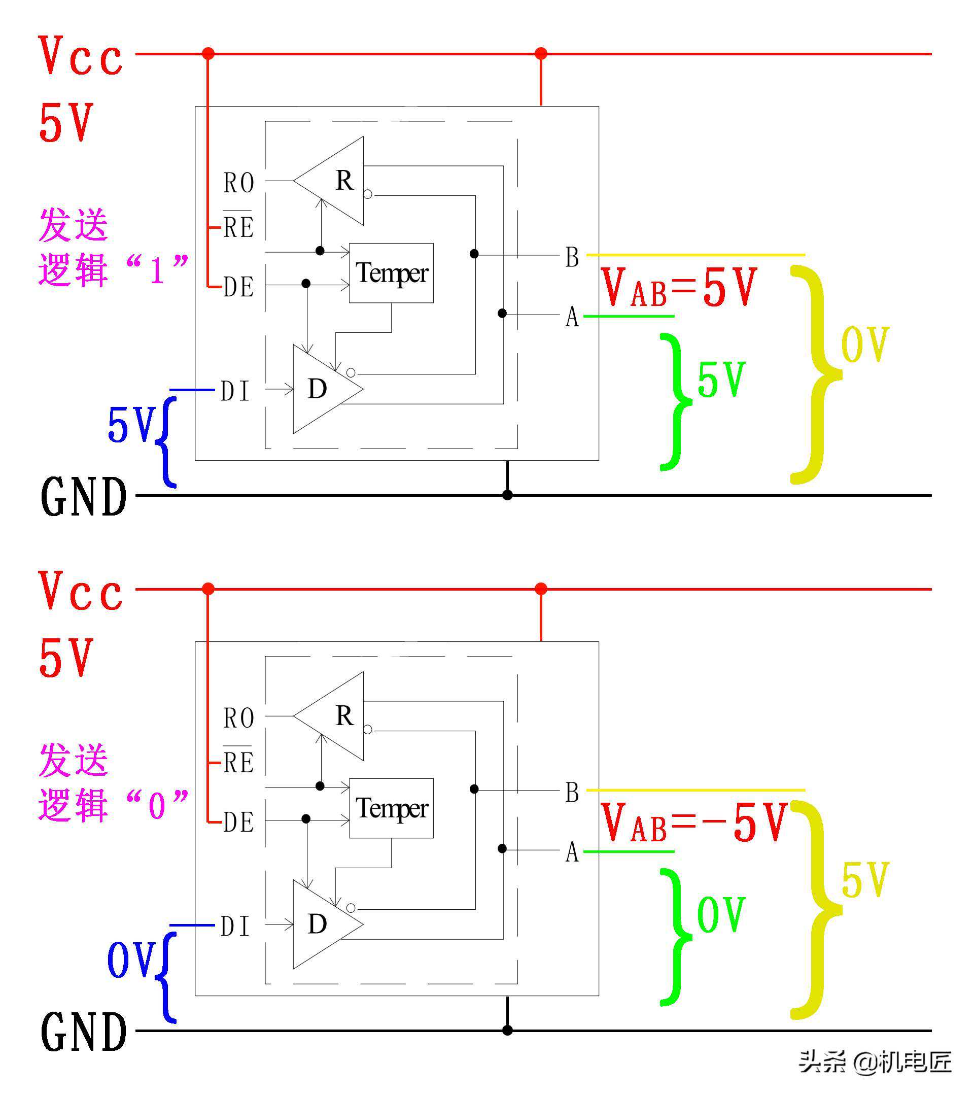
对于发送端:
DI端输入逻辑“1”,输出V(A-B)=+2V~+6V;
DI端输入逻辑“0”,输出V(A-B)=-2V~-6V。
对于接收端:
输入V(A-B)+0.2V,RO端输出逻辑“1”;
输入V(A-B)-0.2V,RO端输出逻辑“0”。
对应真值表如下图:


差分对上的对地电压,用SSP485,5V供电,发送状态实测,有如下图的逻辑:

A信号与DI信号同相,B信号与DI信号反相,AB之间的电压在±5V范围内跳变。
RS485通讯能跑哪些通讯协议?刚才说了,RS485只是一个物理层的数字表达标准,那就是说,在RS485的通讯总线上可以天马行空,对具体的软件层面的通讯协议无任何限制。大家常见的MODBUS、PPI、MPI、ProfiBus、USS,这些通讯协议都能通过RS485进行传输。
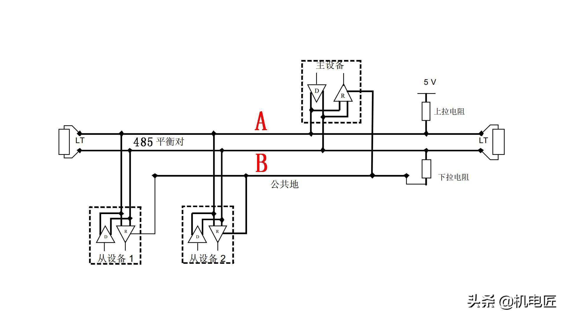
RS485通讯该用什么样的线材?RS485的通信网络拓扑结构,是类似于糖葫芦那样一串一串的结构,就像下图这样。

为了避免电波在长距离传输是发生反射,通常需要保证RS485总线的特性阻抗均匀且一致,还要在首尾两端添加阻抗匹配电阻,吸收掉电波。
在短距离、低干扰、低速率的实验室环境,对RS485通讯设备进行调试,用普通的电线、网线、护套线,都能正常通信。因为距离短速率低,发射波和反射波会叠加在一起不容易分辨出来。
在工业现场总线运行环境,需要兼顾长距离、高干扰、高速率的传输可靠性,就必须使用阻抗匹配的传输电缆,通常是带屏蔽层的双绞线电缆,并且常规特性阻抗是120Ω。
一般RS485专用屏蔽电缆的牌号是【STP-120Ω(适用RS485CAN)一对18AWG】。
在强干扰且环境恶劣的地方还得使用铠装型电缆,牌号是【ASTP-120Ω(适用RS485CAN)一对18AWG】。
聊到电缆的特性阻抗特性阻抗并非是个基础概念,它是应用在传输线的概念。
在高速高频率的应用场景,信号线不能看作理想的导线,导线上的一些寄生参数不能被忽略,比如寄生电阻、寄生电容、寄生电感。特性阻抗就是一个综合传输线场景下这些参数的合成参数。
我是‘机电匠’下期见。





