(一)编程元件
X、Y、M、T、C分别表示输入继电器、输出继电器、辅助继电器、定时器和计数
器。

(二)常用指令
1)基本逻辑指令
LD取指令,即从左母线开始,取用常开触头。
LDI取反指令,即从左母线开始,取用常闭触头。
AN与指令,即常开触头的串联指令。

ANI与反指令,即常闭触头的串联指令。
OR或指令,即常开触头的并联指令。
ORI或反指令,即常闭触头的并联指令。
OUT线圈得电指令。适用于输出继电器和辅助继电器。并联的OUT指令使用次数
不限。上述指令的应用实例如图1-2所示。
2)并联电路块的串联指令ANB
如图1-3所示,两个或两个以上并联电路块串联时,每个并联电路的起点用指令
LD或LDI。串联结束用指令ANB。

3)串联电路块的并联指令ORB
两个或两个以上串联电路块并联时,每个并联电路的起点用指令
LD或LDI。并联结束用指令ORB。
4)复位指令RST
复位指令RST用于计数器或移位寄存器的复位。
5)计数指令OUTC×××,K×××
利用计数器进行控制的梯形图及指令如图示。在复位端的触头X427断开
时,计数脉冲输入端每输入一个脉冲,其设定值减1,输入脉冲数达到设定值20时,
计数器输出触头C460接通,使输出继电器Y430得电。X427闭合时,C460复位并断开
输出。

6)定时指令OUTT××,K×××
如图1所示,当触头M130闭合时,定时器T50开始按设定值累减计时,累减到
0即达到定时值(时基×设定值),其输出触头T50接触,使输出继电器Y35得电。当
M130断开时,T50复位并断开输出。
7)移位指令OUTM×××,SFTM×××,RST×××
如图所示,在移位寄存器M100M117已复位的情况下,当移位数据输入端的
初始化脉冲继电器M70触头闭合(移位数据为“1”),并且移位脉冲输入端的触头X427
闭合一次(脉冲上升沿有效),移位数据“1”便移入M100,此时该位有输出,但图中
没用到此输出信号。其后X427每闭合一次,移位数据“1”便移入高一位。当X427第
6次闭合和第9次闭合时,移位数据“1”先后移入M105和M110。它们的输出触头先后
令输出继电器Y32和Y35得电。当复位端的触头X400闭合时,M100M117被清零复位。

8)置位/复位指令S/R
当辅助继电器或输出继电器作为锁存继电器使用时,需采用置位和复位指令S/R。
如图所示,只要触头X421闭合一瞬间,辅助继电器M200便可得电并内部自保持。
自保持后不再受X421开关状态的影响。当触头X427闭合时才令M200失电复位。指令
S和指令R之间可插入其他程序。
9)主控及主控复位指令MC/MRC
主控指令MC用于树状分支电路的分支起点,相当于通用计算机的调用子程序指
令。主控复位指令MRC用于最后一个分支电路的结束,相当于子程序结束后返回主程
序的指令。图1为应用指令MC/MRC的梯形图及其指令表。指令MC后面的每一分
支电路都应以LD或LDI指令开始。第一个分支电路开始使用指令MCM100后,该分支
电路结束时不必使用复位指令MRC,因为执行指令MC后,原公共母线会自动恢复。到
第2个分支电路结束时才使用复位指令MRCM101。


10)跳步及跳步结束指令CJP/EJP
如上右图所示,当程序A结束并执行到跳步指令CJPM700时,便跳过指令CJP
M700后的程序B。接着执行跳步结束指令EJPM700,使PLC执行EJPM700后面的程序
C。
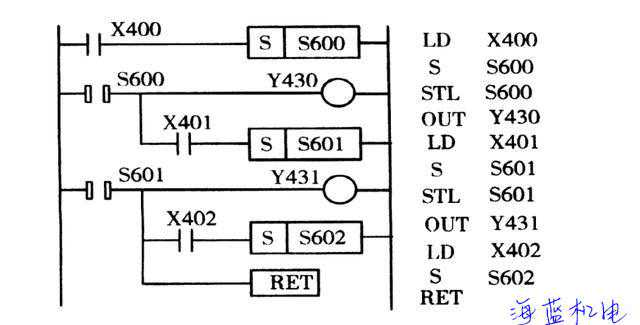
11)步进指令S,STL/RET
利用状态器S(即前述的步进控制器)和步进指令STL/RET,可实现步进控制。如
图1-11所示,当触头X400闭合时,状态器S600得电并内部自锁,其步进输出触头
S600闭合(由步进指令STL控制),使输出继电器Y430得电,同时为高一位的状态器
S601的得电提供一个步进条件信号。当输入开关触头X401闭合时,状态器S601得电并
内部自锁。此时,状态器S600自动失电。同理,状态器S601的步进输出触头使输出继
电器Y431得电,同时为状态器S602的得电提供一个步进条件信号,并使自身失电。当
状态器S602得电后,执行步进复位指令RET,使状态器S602失电复位,步进控制系统
回到原位状态。这种控制系统任何时候只有一位状态器得电。
12)脉冲输出指令PLS
下图为脉冲输出梯形图及指令。指令PLS的作用是将脉冲宽度较宽的输入信号
X400变成脉冲宽度为一个扫描周期的触发脉冲信号M101。这种信号主要用于计数器、
移位寄存器的初始化复位和作为移位脉冲信号。

13)空操作指令NOP
在修改程序时,如果删去的指令较多,为使步序号变更较少,可在删去的指令处输
入空操作指令NOP。
14)程序结束指令END
当程序执行到指令END时,PLC完成解用户逻辑,并转入输出处理阶段。

三)编程器及编程基本操作
F1和FX系列PLC的编程器有便携式编程器和图形编程器两种。前一种应用较多,
而且在线编程和修改程序都比较方便。这里以F1系列PLC编程器中具有代表性的
F1-20P-E便携式编程器为例,介绍其主要功能和编程基本操作。
1)编程器按键说明F1-20P-E编程器的按键有指令键、操作键和数据键。指令
键用于输入指令。每个键的标记与上述介绍的指令助记符一一对应;数据键用于输入编
程元件号和常数(如计数器和定时器的设定值等);操作键用于进行各种操作。各种键
的作用如下:
[INSTR]指令指示键。用于显示步序和指令。
[CLEAR]屏幕显示清除键。
[STEP]步序键。按此键后才可键入步序号。若从第0步开始可省去。
[STEP(+)]步序递增搜索键。按此键可搜索前一步序号的指令。
STEP(-)]步序递减搜索键。按此键可搜索后一步序号的指令。
[WRITE/MONITOR]写入/监控键。在编程状态时,按此键将指令写入用户存储器。在
监控状态时,按此键可监视某个编程元件的状态。
[K/SEACH]常数输入键。可用于输入计数器或定时器的设定值、搜索程序中
某个特定步序的指令,或搜索给定指令助记符和操作数的指令,并
加以显示。
[INS]插入键。用于已有程序中插入指令。
[DEL]删除键。用于已有程序中删除指令。
F1-20P-E编程器的显示信息有3种:STEP显示步序号、INSTR显示指令助记符、
DATA显示编程元件号或常数。
2)编程操作(PLC的工作方式开关处于STOP位置)
a.清除用户程序存储器中的内容:依次击键[CLEAR][STEP][0][STEP],键人
所用PLC机型规定的最终步序地址,[DEL]。
b.输入程序:依次击键[CLEAR][INSTR],键入指令助记符和操作数(n-20P-
E编程器无字母键,所以操作数前的字母不必键入)后,按键[WRITE],将指令写入
内存。从输入第2条指令起,不必再按操作键[CLEAR]和[INSTR]。例如:
步序指令按键顺序
0LDX400[CLEAR][INSTR][LD][4][0][0][WRITE]
1ORY430[OR)[4][3][0][WRITE]
2ANIX401[ANI][4][0][1][WRITE]
3OUTY430[OUT][4][3][0)[WRITE]
c.按步序号读出指令:依次击键[CLEAR][STEP],步序号,[INSTR]。若再读该
步序号前或后的指令,须再按功能键[STRP(+)]或[STRP(-)]。
d.查找指令:依次击键[CLEAR],输入待查指令,[SEARCH][SEARCH]⋯。重
复多次击[SEARCH]键,便可查找到程序中分布在不同步序号的待查指令。
e.删除指令:先用查找指令的方法读出要删除的指令,然后按下[DEL]键即可。
f.插入指令:先用查找指令的方法读出要插入指令的后一条指令,然后键入待插入
的指令并按[INS]键即可。






