Modbus是Modicon公司为其PLC与主机之间的通讯而发明的串行通讯协议。其物理层采用RS232、485等异步串行标准。由于其开放性而被大量的PLC及RTU厂家采用。Modbus通讯方式采用主从方式的查询-相应机制,只有主站发出查询时,从站才能给出响应,从站不能主动发送数据。主站可以向某一个从站发出查询,也可以向所有从站广播信息。从站只响应单独发给它的查询,而不响应广播消息。MODBUS通讯协议有两种传送方式:RTU方式和ASCII方式。三菱700系列变频器能够从RS-485端子使用ModbusRTU通讯协议,进行通讯运行和参数设定。
对象:
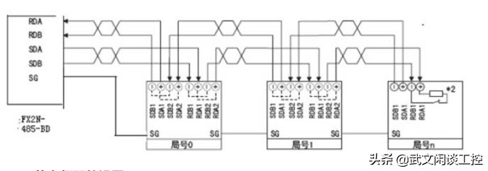
1.三菱PLC:FX2N+FX2N-485-BD
2.三菱变频器:F700系列,A700系列。
两者之间通过网线连接,具体参照下图。

FX2N-485-BD与n台变频器的连接图

1.三菱变频器的设置
PLC与变频器之间进行通讯时,通讯规格必须在变频器中进行设定,每次参数初始化设定后,需复位变频器或通断变频器电源。
参数号名称设定值说明
Pr331通讯站号1设定变频器站号为1
Pr332通讯速度96设定通讯速度为9600bps
Pr334奇偶校验停止位长2偶校验,停止位长1位
Pr539通讯校验时间9999不进行通讯校验
Pr549协议选择1ModbusRTU协议
Pr551PU模式操作权选择2PU运行模式操作权作为PU接口
进行ModbusRTU协议通讯时,Pr551必须设置为2,Pr340设置为除0以外的值,Pr79设置为0或2或6。通过RS-485端子进行ModbusRTU协议通讯时,必须在NET网络模式下运行。
2.三菱PLC的设置
对通讯格式D8120进行设置
D8120设置值为0C87,即数据长度为8位,偶校验停止位1位,波特率9600pbs,无标题符和终结符。
修改D8120设置后,确保通断PLC电源一次。
3.通讯程序
采用ModbusRTU协议与变频器通讯的部分PLC程序如下:






4.程序说明:
1.当X1接通一次后,变频器进入正转状态。
2.当X2接通一次后,写入变频器运行频率60HZ。
3.当X3接通一次后,变频器进入停止状态。
当指令中,变频器指令地址为0时,为广播指令,所有从站变频器只接受PLC发出指令,不向主机发送响应信息





