
今天以问题来为解答这次的主题:
怎样使用S7-204XP的模拟量输入通道接收电流信号?
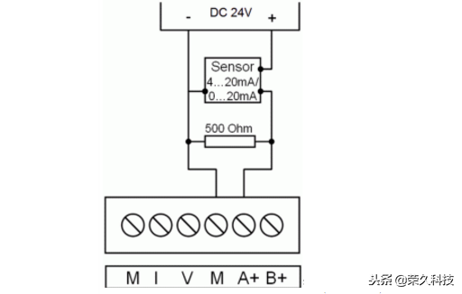
S7-224XP的两路模拟量输入通道被出厂设置为电压信号(0-10V)输入。为了能够输入电流信号,必须在A+与M端(或B+与M端)之间并入一个500欧姆的电阻。
与传感器以及电压源的两线制连接方式如下图所示。

与传感器及电压源的3线制连接方式如下图所示。

与传感器及电压源的4线制连接方式如下图所示。

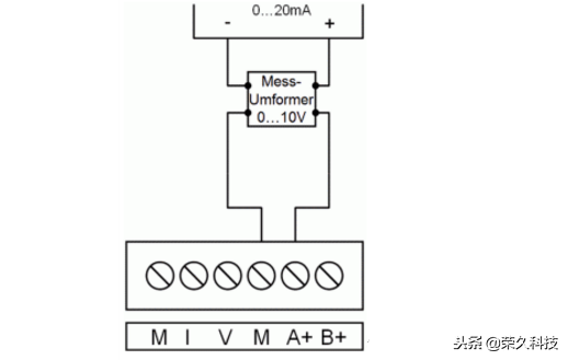
与电压输出的变送器及电流源的4线制连接方式如下图所示。

注释:
在所有的连接方式中都必须确保外接电流源具有短路保护以防损坏。
以上所示的各种连接方式同样适用于LOGO!基本型(LOGO!24和LOGO!12/24)的模拟量输入。
因为没有充分隔离,外接电阻也可成为干扰源。
为了得到尽量精确的测量结果,推荐使用公差尽可能小的电阻。
应确保当在500欧电阻两端施加最大28.8v的电压时,输出功率为1.66W。市面上流通的电阻的功率大都是0.25W到0.5W。
以下扩展模块可接受电流信号:
S7-200:扩展模块EM231(4路模拟量输入,通过DIP开关设置电压/电流)
S7-200:扩展模块EM235(4路模拟量输入/1路模拟量输出,过DIP开关设置电压/电流)
LODO!:扩展模块AM2(2路模拟量输入,分别具有电压和电流通道)
以上,欢迎分享及收藏!





