CC-Link是ControlCommunicationLink(控制与通信链路系统)的缩写,在1996年11月,由三菱电机为主导的多家公司推出,其增长势头迅猛,在亚洲占有较大份额,目前在欧洲和北美发展迅速。
CC-Link系统是用专用电缆连接I/O模块、智能功能模块和特殊功能模块等分散配置的模块的系统,并通过可编程控制器CPU对这些模块进行控制。

1.电源配线CC-Link系统中电源主要有主站基板电源,从站使用的基板电源、信号使用的24V电源、CC-Link远程站模块使用的24V模块电源和外部设备使用的电源等。其中主站、从站使用的基板电源根据所选电源实际情况使用,外部设备的电源使用根据设备的配置实际情况考虑。信号和CC-Link系统远程站模块使用的电源在使用的时候要注意,以下进行介绍。1.1电源使用规范在同一个CC-Link系统中,从主站开始到终端所有的模块电源要使用相同24V电源。在选择电源时要考虑电压降,功率,电流等因素。对于远程I/O模块,模块有两个电源,一个是模块电源,一个是外部信号电源。为避免信号发生错乱,维修的便利所有的CC-Link模块使用同一个24V直流电源。

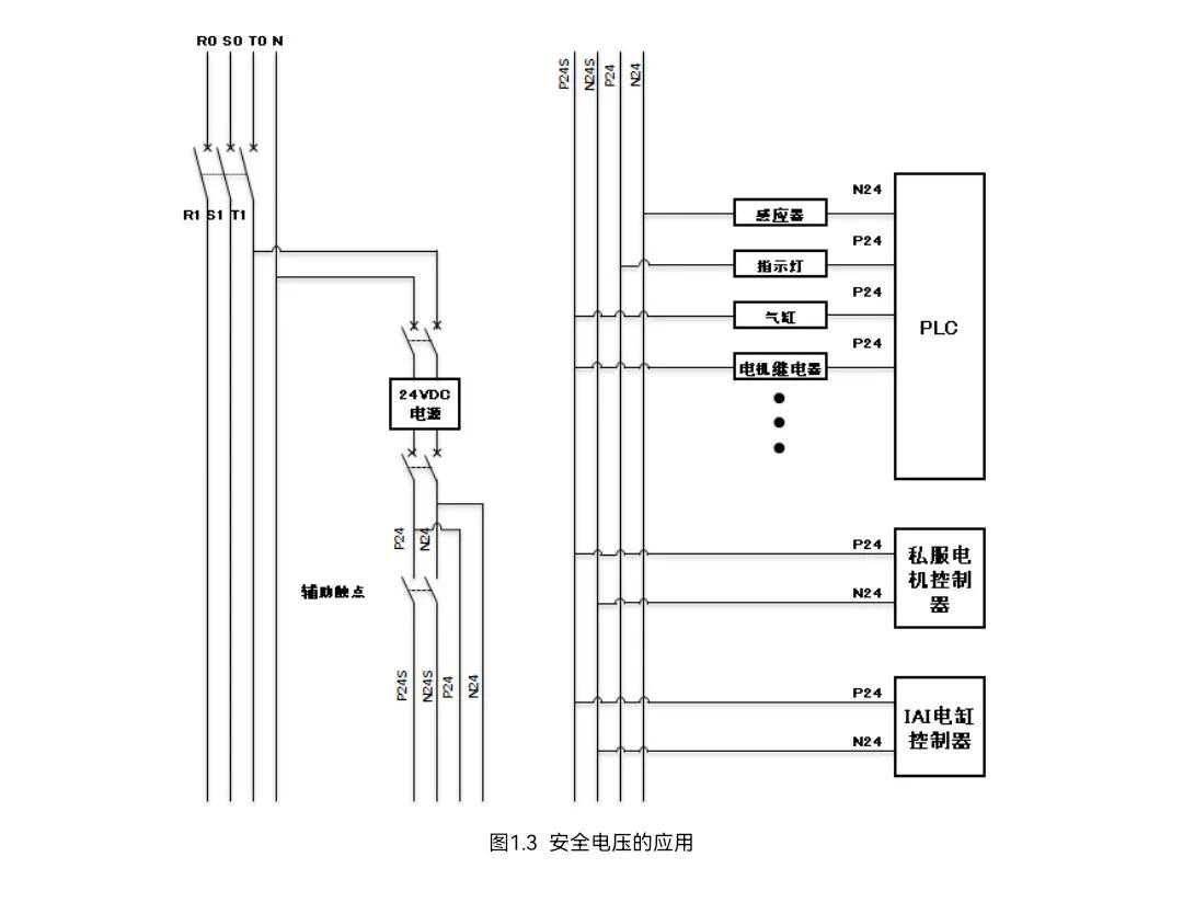
1.2.安全电压使用由于CC-Link是通过现场总线方式进行数据的传输,所以如果信号传输受外界(噪音,电磁等)因素干扰,会导致信号传输延迟,信号错乱等不利情况。为避免此种情况发生时引发安全事故,故采用安全电压的方式来避免。在电气控制系统中诸如气缸,电机,电缸等一类的动作信号如果发生异常状况,此类信号必须立即断开,为确保异常状况时信号中断的及时性,此类信号的电压采用安全电压(图1.3中的P24S和N24S为安全电压)。安全电压的通断通过在主控制箱中的继电器控制,一旦发生异常直接断开电压确保动作信号断开。














