三菱MR-JE-B驱动器报错,导致报错原因37.1参数设置范围异常?最近海蓝机电工程师们在做一个项目,做的是三菱MR-JE-B驱动器。工程师们在实操这个项目过程中遇到各种问题,其中就像驱动器报错的问题,导致报错的原因显示37,1参数问题在哪?下面小编为介绍我们分享!

三菱MR-JE-B驱动器报错,导致报错原因37.1参数设置范围异常?
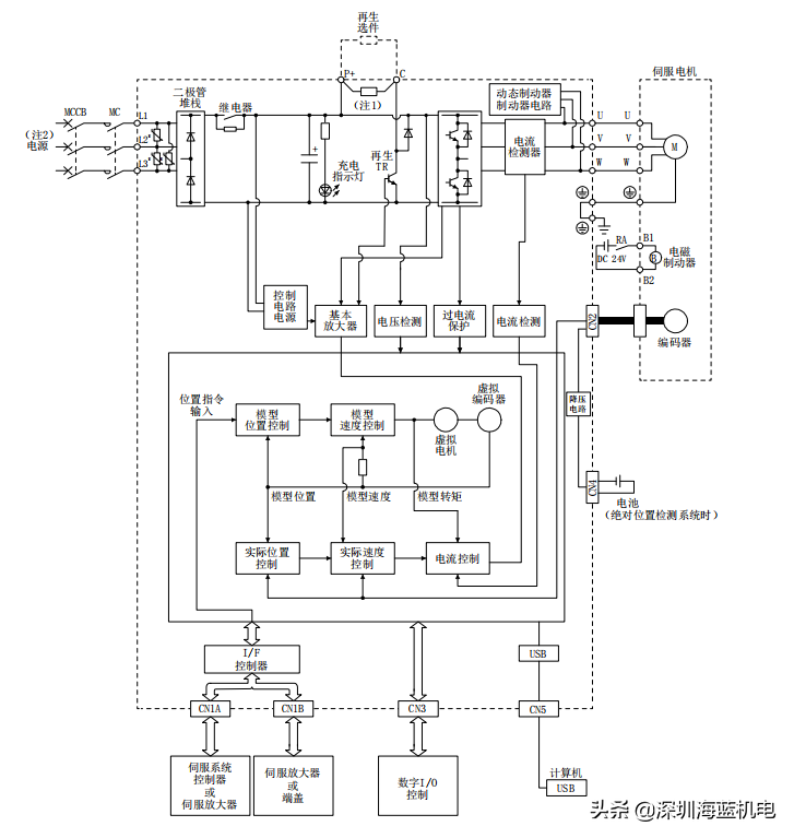
什么是三菱MR-JE-B驱动器?
三菱通用AC伺服MELSERVO-JE系列是以MELSERVO-J4系列为基础,保持了高性能、限定功能的AC伺服。
MR-JE-_B伺服放大器是通过伺服系统控制器等控制器和高速同步网络SSCNETⅢ/H连接。伺服放大器直接从控制
器读取指令,驱动伺服电机。
SSCNETⅢ/H通过采用SSCNETⅢ光缆保持了很强的耐噪声性,并且实现了全双工150Mbps高速通信。控制器和伺
服放大器之间可以实现大量数据的实时通信。伺服电机的信息可以储存到上一级信息系统,也可以用于控制。

三菱MR-JE-B驱动器报错,导致报错原因37.1参数设置范围异常?
通过一键式调整和实时自动调谐功能,可以根据各种机械的特性简单地自动调整伺服增益。
通过ToughDrive功能与驱动记录器功能,预防保全支援功能,可以更好的对机器进行维护和检查。
备有USB通信接口,与安装了MRConfigurator2的计算机等连接后,可以进行参数设定和试运行、增益调整。
伺服电机中采用了分辨率为131072pulses/rev的绝对位置编码器,可以高精度定位。

三菱MR-JE-B驱动器报错,导致报错原因37.1参数设置范围异常
在参与某个项目工程时候,我们工程师谢工就在最近使用MR-JE-B驱动器出现报错,他是如何解决这个问题,其实现场情况很复杂,那我们叫谢工简单用语言描述每一个步骤怎么解决了。
1、存在超出设置范围的参数。解决方法:确认参数错误编号后,确认参数的设定值。
2、设置的参数组合存在矛盾。解决方法:确认参数错误编号后,确认参数的设定值。
3、伺服放大器的故障导致参数的设定值发生变化。解决方法:更换伺服放大器后确认是否还会再现。或者恢复出厂设置后确认是否还会再现,排除常见的参数设置错误,仍不能解除异常报警时,应该确认一下驱动器生产的日期,看是否是2016以前的版本,在2016及以前的版本的驱动器上下限,近点狗不能在轴参数内设置,因此上下限近点狗信号线不能接在伺服驱动器上,只能接在模块上。

三菱MR-JE-B驱动器报错,导致报错原因37.1参数设置范围异常?
三菱PLC在下载程序过程中遇到容量不够,但容量相差很小的这种情况时,更换新的更大容量的PLC无疑要增加成本同时浪费时间,因此以下方法可以帮助大家,首先最好将PLC内的存储器全部格式化。
操作如下:

三菱MR-JE-B驱动器报错,导致报错原因37.1参数设置范围异常?





